如果需要quartusii版本的朋友,可以打开如下链接:
https://mbd.pub/o/bread/ZJiYlZpx
1.软件版本
vivado2019.2
2.运行方法
使用vivado2019.2或者更高版本打开FPGA工程,然后参考提供的操作录像视频跟着操作。工程路径必须是英文路径。具体操作观看提供的程序操作视频跟着操作。
3.内容简介
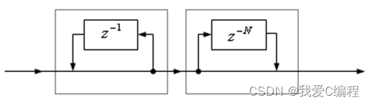
积分梳状滤波器,是指该滤波器的冲激响应具有如下形式:

编辑
其物理框图如图所示:

编辑
可见,CIC滤波器是由两部分组成:累积器H1和H2梳状滤波器的级联。
现若假设用N级CIC滤波器来代替,每一级的滤波器系数长度为R,每一级的差分延迟为M,抽取数为R,那么可以得到CIC抽取滤波器结构图:

编辑

编辑

编辑
可以看到,N级CIC滤波器在功能上相当于N级完全相同的FIR滤波器的级联。如果按传统的FIR滤波器方式实现,那么N级FIR滤波器的每一级都需要RM个存储单元和一个累加器,但如果用CIC方式实现,那么N级CIC滤波器的每一级只需要M个存储单元。
通常,由于CIC滤波器的传统结构需要大量的延迟单元,这会大大增加系统的硬件资源消耗,所以,在一般情况下,CIC滤波器采用的设计结构式Hogenauer结构形式,该结构形式如下所示:

编辑
采用这种结构之后,大大降低了系统延迟单元资源。
这里设计的五级CIC滤波器。那么其基本结构如上图所示,在降采样的左右都有五个延迟单元。
但是在CIC滤波的时候,会导致输出的位宽大大增加,但是如果单独对中间的处理信号进行截位,这会导致处理精度不够,从而影响整个系统的性能,所以,这里我们首先将输入的信号进行扩展。
由于我们输入的中频信号通过ADC是位宽为14,在下变频之后,通过截位处理,其输出的数据仍为14位,所以,我们将CIC滤波的输入为14位,但是考虑到处理中间的益处情况以及保证处理精度的需要,我们首先将输入位宽扩展为40位,从而保证了处理精度以及溢出的情况。
基于FPGA的5级CIC滤波器的设计与实现
这里首先说明一下为什么使用的级别是5级。从硬件资源角度考虑,CIC滤波器的级数太高,会导致最终输出的数据位宽很大,通过简单的验证,当CIC的级数大于5的时候,输出的位宽>50。这显然会导致硬件资源的大量占用,如果CIC级数太小,比如1,2级。这在其处理效果上没有任何意义,基本无法达到预计的效果,通过仿真分析,一般情况下,选择4级,5级比较合理,因此,这里我们选择5级的CIC滤波器。
5级滤波器的基本结构为:

编辑
4.部分仿真截图

编辑

编辑

编辑

编辑