1.模型简介
本仿真模型基于MATLAB/Simulink(版本MATLAB 2016Rb)软件。建议采用matlab2016 Rb及以上版本打开。(若需要其他版本可联系代为转换)
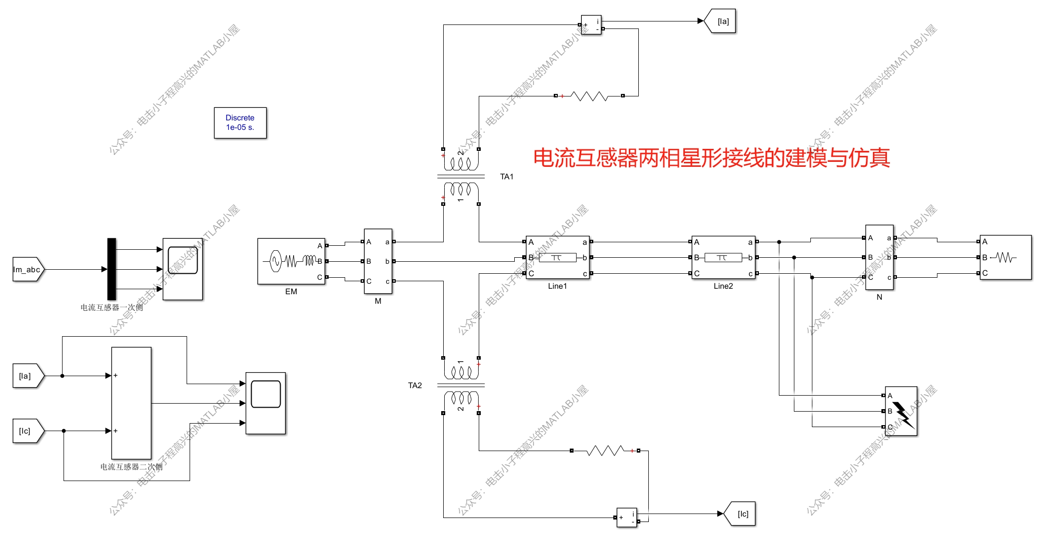
2.仿真模型
3.仿真结果
3.1一次侧:
3.2二次侧:
1.模型简介
本仿真模型基于MATLAB/Simulink(版本MATLAB 2016Rb)软件。建议采用matlab2016 Rb及以上版本打开。(若需要其他版本可联系代为转换)
2.仿真模型
3.仿真结果
3.1一次侧:
3.2二次侧: