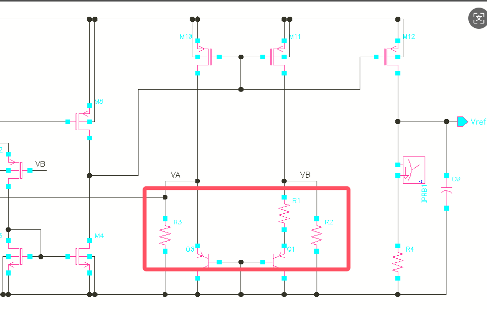
【模拟CMOS集成电路设计】带隙基准(Bandgap)设计与仿真(基于运放的电流模BGR)——核心管支路-参数计算过程

作品简介

说明:

电路设计第一步,根据功耗分配电流,根据核心管支路静态电流,计算BGR核心支路的器件参数,然后基于手算结果进行几次迭代即可。

这三个参数的计算过程

创作时间: