半桥LLC谐振变换器开环、闭环和软起动设计及其simulink仿真模型,该设计合理,运行稳定,包含设计报告pdf及多版本设计,适合新手学习使用!!仿真与设计报告完全一致。
内含开环仿真、电压闭环仿真两个simulink仿真文件,PDF中含有电路参数仿真计算过程。详细内容如下所示:
参数设计报告:
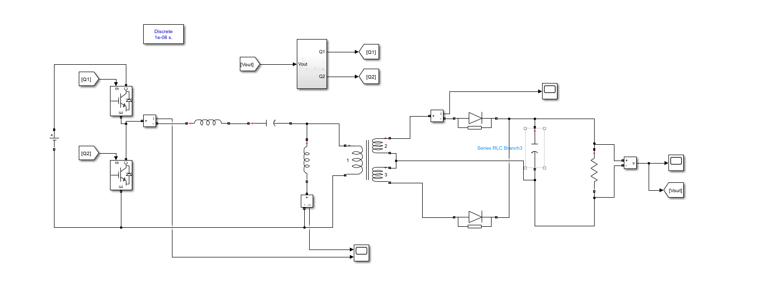
1、开环:
波形:
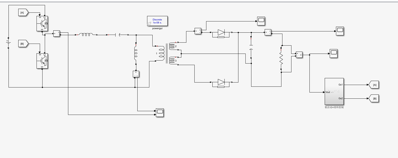
2、闭环:
波形:
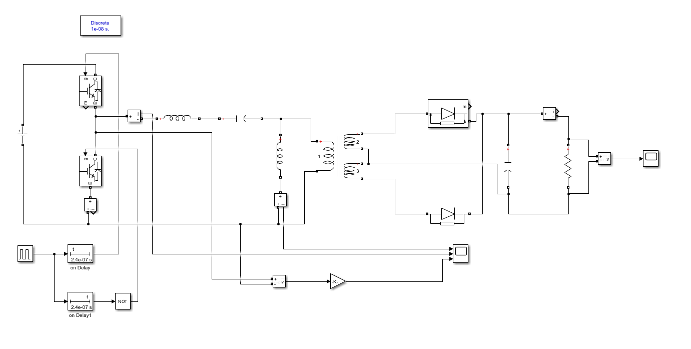
3、软起动:
波形:
半桥LLC谐振变换器开环、闭环和软起动设计及其simulink仿真模型,该设计合理,运行稳定,包含设计报告pdf及多版本设计,适合新手学习使用!!仿真与设计报告完全一致。
内含开环仿真、电压闭环仿真两个simulink仿真文件,PDF中含有电路参数仿真计算过程。详细内容如下所示:
参数设计报告:
1、开环:
波形:
2、闭环:
波形:
3、软起动:
波形: