Buck-Boost锂离子电池组SOC均衡控制MATLAB仿真模型

作品简介

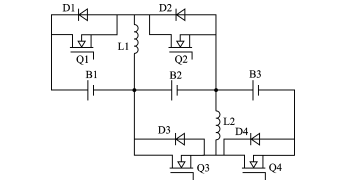
Buck-Boost型均衡电路

Buck-Boost型双向均衡电路如下图所 示,将 由 开 关 管、续流二极管和储能电感组成的均衡模块放置在相邻的 两节单体电池之间,由主控板发出的脉冲信号的高低电平 来控制开关管的开启与关断,让储能电感实现相邻两节单 体电池间的能量 转 移。Buck-Boost型 双 向 主 动 均 衡 电 路的优点是容易控制、低损耗、均衡效率高。

均衡电路的原理如下:当 B1的 电 压 大 于 B2的 电 压 时,通过 主 控 板 发 给 Q1的 信 号,当 Q1导 通 时,形 成 回 路 B1-Q1-L1。电池 B1通过开关管 Q1将多出的部分电能转 移到储能电感 L1中。当电 池 B1放出的部分电能低于电 池 B2的阈值时,开关管 Q1会关断,关断后,电感 L1的极 性会发生改变,电流会通 过 二 极 管 D2续 流。因 此 储 存 在 电感 L1中的能量会转移到电池 B2中,实 现 相 邻 单 体 电 池之间的能量转移。

差值均衡控制

组内电池荷电状态差值ΔSOC

通过检测电池模块间输出功率的差值越大,来控制个电池组的充放电,达到SOC均衡控制的效果!

控制模块搭建如下图所示

主体电路模型

静置状态下的SOC均衡

充电状态下的SOC均衡

放电状态下的SOC均衡

由上图可见,在静置、充电、放电条件下,电池组可以通过SOC均衡策略平均分配各电池的电量(SOC)!!

参考文献

基于改进型Buck-Boost电路的 锂离子电池均衡控制——王玉龙

双向Buck-Boost型锂电池的主动均衡控制——王宝锋



创作时间:2024-05-18 20:15:44