电力电子Boost升压斩波电路MATLAB仿真

作品简介

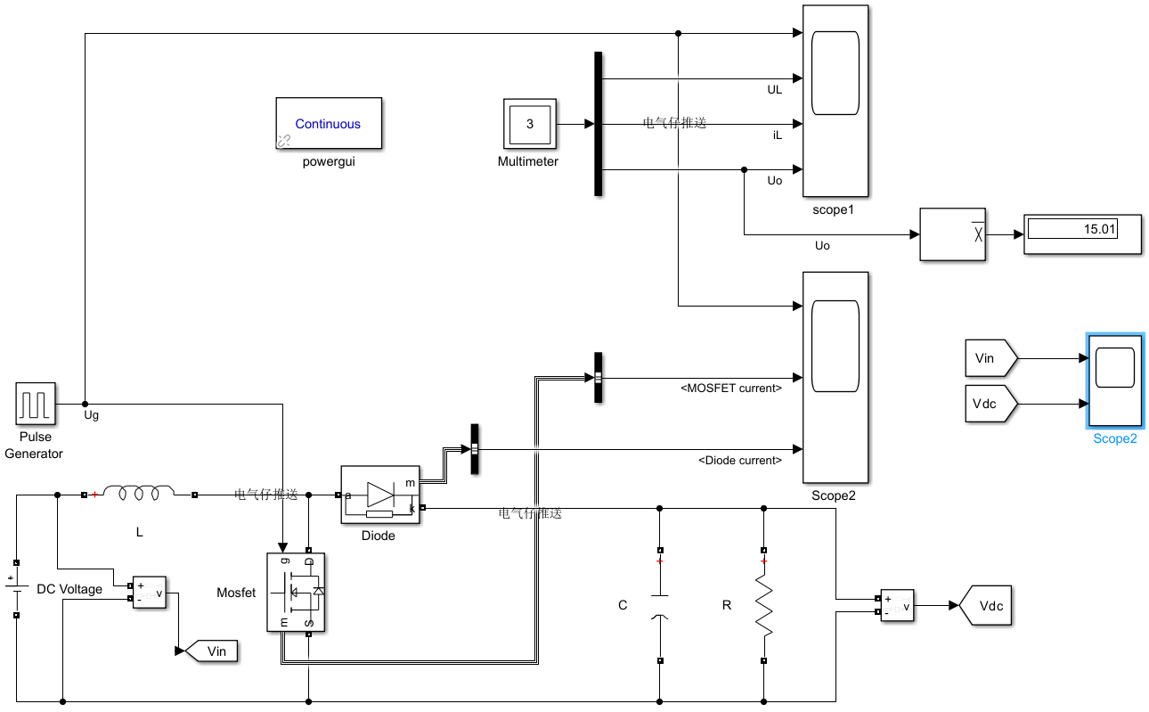
本Boost升压电路为最简单的模型,没有添加任何控制模块,附带8页详细的原理分析说明文件。

升压斩波电路(Boost Chopper)是一种通过控制开关管T的导通比,使输出电压等于或高于输入电压的单管非隔离直流变换器,又称为Boost变换器(BoostConverter)。

Boost变换器电路构成

其工作原理图如下图所示

电路主要元器件包括开关管T(物理实现可以用IGBT,MOSFET),续流二极管D,储能电感L,输出滤波电容C及负载电阻R。输入直流电源为U,,输出直流电压为U。

Boost工作原理

电容阻碍电压变化,通高频,阻低频,通交流,阻直流;

电感阻碍电流变化,通低频,阻高频,通直流,阻交流;

充电过程

在充电过程中,开关闭合(三极管导通),等效电路如上图所示,开关(三极管)处用导线代替。这时,输入电压流过电感。二极管防止电容对地放电。由于输入是直流电,所以电感上的电流以一定的比率线性增加,这个比率跟电感大小有关。随着电感电流增加,电感里储存了一些能量。

放电过程

如上图所示,这是当开关断开(三极管截止)时的等效电路。当开关断开(三极管截止)时,由于电感的电流保持特性,流经电感的电流不会马上变为0,而是缓慢的由充电完毕时的值变为0。而原来的电路已断开,于是电感只能通过新电路放电,即电感开始给电容充电,电容两端电压升高,此时电压已经高于输入电压了。

说起来升压过程就是一个电感的能量传递过程。充电时,电感吸收能量,放电时电感放出能量。如果电容量足够大,那么在输出端就可以在放电过程中保持一个持续的电流。如果这个通断的过程不断重复,就可以在电容两端得到高于输入电压的电压。

模型主体

输入电压3V,输出电压15V

输出波形

原理介绍文档




创作时间:2024-05-13 22:18:56