基于遗传算法的 LQR 控制器优化设计

作品简介

5.1 理论基础

5.1.1 LQR控制

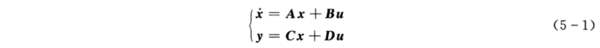
        假设线性时不变系统的状态方程模型为

  可以引入最优控制的性能指标,即设计一个输入量u,使得

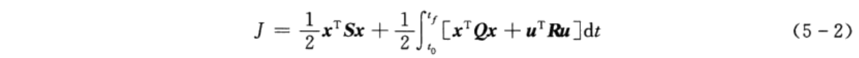
为最小。其中,Q和R分别为状态变量和输入变量的加权矩阵,t,为控制作用的终止时间。矩阵S对控制系统的终值给出某种约束,这样的控制问题称为线性二次型(linear quadratic, LQ)最优控制问题。由线性二次型最优控制理论可知,若想最小化J,则控制信号应该为

 可见,最优控制信号将取决于状态变量x与Riccati微分方程的解P。可以看出,Riccati微分方程的求解是很困难的,而基于该方程解的控制器的实现就更困难,所以只考虑稳态问题这样的简单情况。在稳态的情况下,假定终止时间t→,这样会使得系统的状态渐进地趋于0。Riccati微分方程的解矩阵P将趋于常数矩阵,使得P=0。在这种情况下,Riccati微分方程将简化成

5.1.2 基于遗传算法设计LQR控制器

    从最优控制律可以看出,其最优性完全取决于加权矩阵Q、R的选择,然而这两个矩阵如何选择并没有解析方法,只能定性地去选择矩阵参数。所以,这样的“最优”控制事实上完全是人为的。如果Q、R选择不当,虽然可以求出最优解,但这样的“最优解”没有任何意义。另一方面,加权矩阵Q、R的选择依赖于设计者的经验,需要设计者根据系统输出逐步调整加权矩阵,直到获得满意的输出响应量为止。这样不仅费时,而且无法保证获得最优的权重矩阵,因此获得的最优控制反馈系数不能保证使系统达到最优。

    遗传算法是模仿自然界生物进化机制发展起来的全局搜索优化方法,它在迭代过程中使用适者生存的原则,采用交叉、变异等操作使得种群朝着最优的方向进化,最终获得最优解。鉴于LQR控制方法权重矩阵确定困难的问题,本案例以汽车主动悬架作为被控对象,将遗传算法应用于LQR控制器的设计中,利用遗传算法的全局搜索能力,以主动悬架的性能指标作为目标函数对加权矩阵进行优化设计,以提高LQR的设计效率和性能。

5.2 案例背景

5.2.1 问题描述

1.悬架模型

    单轮车辆模型如图5-1所示。图中,簧载质量为wb,非簧载质量为mw,悬架刚度为Ks, 轮胎刚度为Kt,车身垂向位移为xb,车轮垂向位移为xw,路面垂向位移为xg,控制力为Ua。由牛顿运动定律,建立系统运动方程如下:

2.LQR控制器

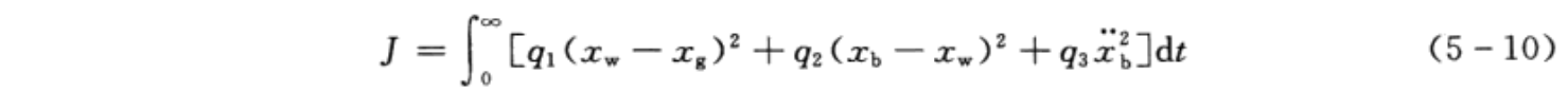
        评价悬架性能的指标包括:代表乘坐舒适性的车身垂向加速度,影响车身姿态且与结构设计和布置有关的悬架动行程,代表操纵稳定性的轮胎动位移。因此,LQR控制器设计的性能指标为

将式(5-9)代入式(5-10),有

由式(5-10)~式(5-13)可以看出,所设计的最优控制完全取决于加权系数q1、q2、q3的选择。在以往的设计中,加权系数往往是由设计者根据其经验经过反复试凑获得的,虽然可以得到相应的最优控制律,但这样的最优存在很大的主观性。下面采用遗传算法对LQR控制器设计中的加权系数进行优化。

5.2.2 解题思路及步骤

 采用的约束处理方法如下:对每一组加权系数X,在由式(5-14)计算得到L后,判断是否满足约束条件(5-16)~(5-18),若都满足,则适应度函数值即为所得的L;否则,为了惩罚该组加权系数没有满足约束条件,而且这里的优化问题为取最小值优化,该组加权系数适应度函数值为所得的L加上10,使其远离最小值,这样就引导了种群向满足约束的方向进化。

 基于遗传算法的LQR控制器加权系数优化过程示意图如图5-2所示。具体步骤如下:

    (1)遗传算法产生初始种群。

    (2)将种群中的每个个体依次赋值给LQR控制器的加权系数q?、92、9s,由式(5-13)求出最优控制反馈增益矩阵,由式(5-12)求出最优控制力并作用于单轮模型,然后得到悬架的性能指标。

    (3)由式(5-14)求得种群中各个体的适应度函数值,判断是否满足遗传算法的终止条件。若满足,则退出遗传算法,并得到最优个体;若不满足,则转至步骤(4)。

    (4)遗传算法进行选择、保留精英、交叉、变异,产生新的种群,并转至步骤(2)。

5.3 MATLAB程序实现

5.3.1 模型实现

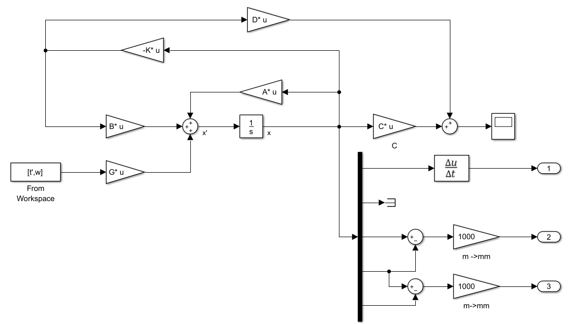
        主动悬架LQR控制模型的Simulink实现如图5-3所示。

其中,矩阵A、B、C、D实现了悬架的状态方程模型,最优控制反馈增益矩阵K实现了LQR控制,噪声信号由MATLAB的工作空间中输入,性能指标的输出通过对状态变量进行相应计算后得到。

遗传算法的参数设置如表5-1所列。

5.3.3 结果分析

    遗传算法优化过程中最优个体适应度函数值变化如图5-4及图5-5所示。

    可以看到,随着种群的不断进化,最优个体的适应度函数值不断减小,最终收敛至2.5435,此时对应的最优个体为(q1,q2,q3)=(111465.332163507,11811.0782166851,75608.8057011555),相应的性能指标及其与被动悬架的比较如表5-2所列。可见,基于遗传算法设计的LQR控制器使主动悬架性能明显优于被动悬架,遗传算法的优化是有效的。




创作时间: