基于三阶广义积分器PFC的电气弹簧控制simulink建模与仿真

作品简介

付费后在电脑上使用网页浏览器,登入后自动弹出下载界面(完整程序运行无水印)

1.功能介绍

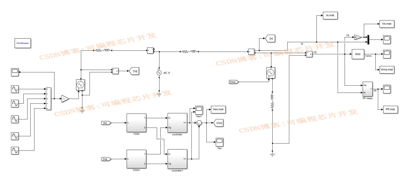
  电气弹簧(Electric Spring,ES)是一种新型的电力电子装置,它可以通过调节负载的电压和功率,实现对电网的功率因数校正和电压稳定控制。电气弹簧系统由电源、负载、电气弹簧和控制器组成。电源为系统提供电能,负载为系统消耗电能。电气弹簧连接在电源和负载之间,它可以通过调节自身的输出电压和功率,实现对负载的电压和功率调节。控制器根据系统的运行状态和控制目标,对电气弹簧进行控制。

    基于三阶广义积分器 PFC 的电气弹簧控制策略的基本思想是:通过三阶广义积分器对电源电流进行处理,提取出电源电流中的基波成分和谐波成分。然后,根据控制目标,对电源电流中的基波成分和谐波成分进行分别控制,实现对电源的功率因数校正和电压稳定控制。

2.使用版本

matlab2022a

3.本作品包含内容

项目工程源文件/完整程序,中文注释,程序操作方法视频,参考文献,说明文档

4.仿真测试效果截图









创作时间:2024-10-17 02:27:01