基于恒功率PQ控制的三电平并网逆变器仿真

作品简介

模型简介

三相 T 型三电平逆变器电路如图所示,逆变器主回路由三个单相 T 型逆变器组成。 直流侧输入电压为 UPV,直流侧中点电位 O 设为零电位,交流侧输出侧是三相三线制连接, 三相电网电压为 usa、usb、usc,三相并网电感电流为 ia、ib、ic。

将 A、B、C 三相滤波电感 La、Lb、Lc 等效为电感 Ls 和电阻 Rs 串联,三相 T 型三电平电 路的等效开关电路简化模型如图所示:

通过 Park 变换将三相 T 型三电平电路在静止 αβ 坐标系下的数学模型转换到旋转 dq 坐标 系下。静止 αβ 坐标系到旋转 dq 坐标系,在旋转 dq 坐标系下,三相 T 型三电平电路的等效电路如图 所示:

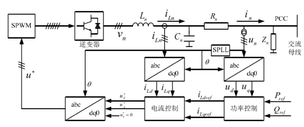
并网模式下且公共电网供应正常时,因为公共电网给定了电 压和频率的参考值,所有的逆变器可以使用PQ控制方式。

当系统频率为额定频率f0时,系统稳定在A点,系统的输出为 有功参考值Pref,如果系统频率相应增大,则系统运行状态由A点过渡到B点, 但是其系统的输出依旧为有功参考值Pref;相反,如系统频率相应减小,则系统 运行状态由A点过渡到C点,而其系统的输出依旧还是为有功参考值Pref。 同理分析图2.9(b),端口电压的幅值无论变大或是变小,系统输出的无功功率依 旧是无功参考值Qref。

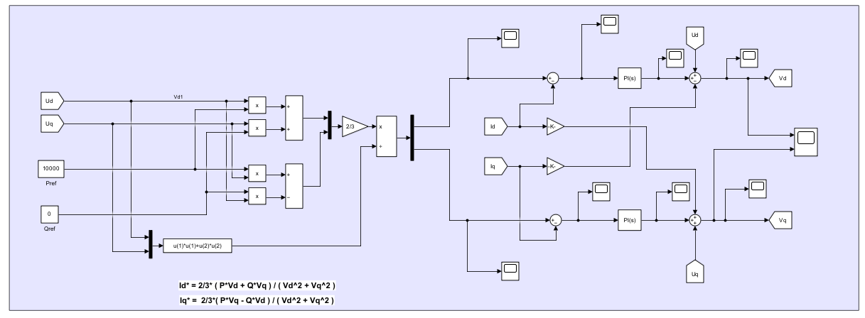
PQ控制法是基于两相旋转(d-q)坐标系下的双环控制方 式建立的,其实质是在该坐标系下,检测逆变器输出电压并进行dq变换,设定 有功参考值和无功参考值,通过式(3.5)计算,便可得到两相参考电流值,双环控 制的内环实时跟踪参考电流,进而通过坐标转换到三相,输出SPWM的参考电 压,便可将对功率的控制转换为对输出电压的控制。其中,软件锁相器SPLL能 够实现电流的跟踪控制,并且为坐标转换提供频率参考。

仿真主体模型

三电平逆变器

PQ控制

输出波形


创作时间:2024-03-11 19:32:36