适用平台:Matlab2023版及以上
方法:你肯定见过这样的文献:什么CNN、LSTM、GRU、BiLSTM、GRU、Attention以及它们的复合模型CNN-LSTM、CNN-GRU模型等经久不衰。
功能:分类预测用于将输入数据分为不同的类别或标签。输出是离散的,通常表示一个类别或标签。如:滚动轴承故障、变压器油气故障、电力系统输电线路故障区域、绝缘子、配网、电能质量扰动,等领域的识别、诊断和分类。
期刊水平:仔细看下面的文献均来自《中国电机工程学报》《电网技术》《高电压技术》《电工技术学报》《电力系统自动化》等国内顶级EI期刊
发文日期:从2022-2024-至今,不同的深度学习方法组合成复合故障识别模型,这是当前的发文主流,你也可以!
复合模型:以CNN-BiLSTM-Attention复合模型为例,结合了卷积神经网络(CNN)和长短时记忆网络(LSTM),以克服各自模型在处理序列数据中的局限性。以下是CNN-LSTM复合模型的一些优势:
局部和全局特征捕捉:CNN通过卷积层可以有效地捕捉输入故障波形中的局部特征,如脉冲、振动或其它突变。而LSTM则能够学习序列中的长期依赖关系,捕捉全局特征。这种组合允许模型同时关注序列的局部和全局信息,提高了对故障波形中复杂特征的提取能力。
故障前后特征构建:对于时序数据中的时空关系,CNN-BiLSTM模型能够利用CNN对时间序列进行卷积操作,捕捉时间上相邻的特征,并通过BiLSTM双向记忆单元来处理序列中的长期依赖,以捕捉信号的长期依赖关系,同时考虑故障前后所包含的特征。
层次性特征提取:CNN通常在底层提取低级特征,而BiLSTM在更高层次上提取抽象的特征。通过将它们组合在一起,模型可以在不同层次上进行层次性的特征提取,使得模型能够更全面地理解输入的故障波形。
Attention自注意力机制:自注意力层被嵌入到BiLSTM层后,自注意力层用于捕捉故障波形中的全局依赖关系,自注意力机制允许网络在学习时动态地调整各个采样点的权重,以便更好地捕捉长期依赖和全局模式。
首先简单介绍现有的预测算法特点!再将它们按需搭积木式结合:CNN-LSTM,CNN-GRU CNN-BiLSTM,CNN-BiGRU,CNN-LSTM-Attention,CNN-GRU-Attention,CNN-BiLSTM-Attention,CNN-BiGRU-Attention,TCN-Attention,你也可以发表高水平论文!
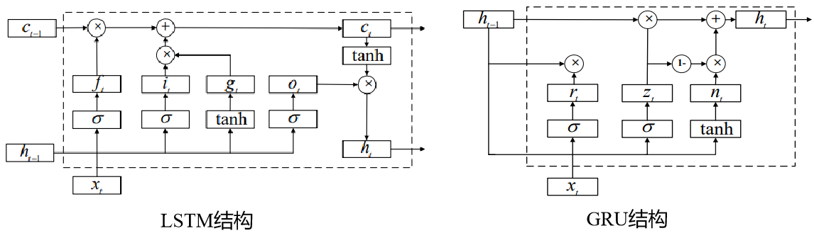
CNN(卷积神经网络):CNN适用于图像数据,但在针对一维故障波形数据中也适用。卷积层可以捕捉输入故障波形中的局部突变特征。对于故障识别任务,CNN可以有效地捕捉输入故障波形中的局部特征,如脉冲、振动或其它突变。有助于识别特定时间窗口内的变化,适用于一维波动时序数据。以下是CNN的分类原理:
①首先CNN通过卷积核不断扫过原始输入,提取输入图像的特征;

②通过多层CNN堆叠,可以不断实现特征的精细化(高级特征);

③将CNN提取得到的最末尾的最高级特征,通过Softmax与给定的故障标签进行对比,找到概率最大的标签,则为故障识别结果;


LSTM(长短时记忆网络):LSTM专门设计用于处理序列数据。其内部结构允许网络选择性地保留或遗忘信息,有助于处理时序数据中的长期依赖关系。在故障识别中,LSTM可以更好地捕捉故障前后之间的特征关联,适用于故障波形等具有动态变化的特征。
GRU(门控循环单元):GRU与LSTM类似,但结构更简单。它也适用于处理故障波形数据,具有更新门和重置门来调节信息的流动。GRU相对于LSTM计算效率更高,对于中等规模的数据集可能表现得更好。
BiGRU(双向门控循环单元网络):BiGRU结合了前向和后向的GRU,同时考虑过去和未来的上下文信息。在故障识别中,BiGRU可以更全面地捕捉故障波形中的模式,尤其是在需要考虑故障前后故障特征的情况。
TCN(时域卷积网络): TCN创新地提出一维扩张因果卷积层构建残差结构来捕捉故障波形中的特征,并通过堆叠这些层来增加模型的复杂性。它具有并行计算的优势。优势:在故障识别中,TCN可以有效地捕捉故障波形中的局部和全局特征,具有较快的训练速度,适合应用于。
各种复合模型的创新点在于:
- 综合了不同类型的神经网络层,使其适用于广泛的应用,从而提高了对故障序列数据的建模和分析能力。
- 适用于各种数据分类场景,如滚动轴承故障、变压器油气故障、电力系统输电线路故障区域、绝缘子、配网、电能质量扰动,等领域的识别、诊断和分类。
程序数据集格式:
数据格式:一行为一个故障样本也可以看成一个故障波形,最后一列表示该样本所属的故障类别,即故障类别标签。
测试集的混淆矩阵:
精确率是混淆矩阵的最下面一行,召回率是混淆矩阵的最右边一列
- 精确率:指模型在预测为正类别的样本中,实际为正类别的样本所占的比例。它衡量的是模型在正类别的预测中的准确性。
- 召回率:指实际为正类别的样本中,模型成功预测为正类别的样本所占的比例。它衡量的是模型对正类别样本的覆盖能力。
训练集和测试集的散点图:
程序展示准确率、精确率、召回率、F1分数等计算结果:
部分图片来源于网络,侵权联系删除!
关注小编会不定期推送高创新型、高质量的学习资料、文章程序代码,为你的科研加油助力!