主要内容
风电高渗透率下,电力系统对风电场频率调节能力提出了技术要求。考虑风机惯性控制和变桨距控制的频率响应能力,提出将储能与风电自身调频手段相结合,参与系统频率调节。模型采用Simulink进行仿真,建立了风储联合调频下电力系统的频率特性模型,采用四机两区系统,利用频域模型法,附加虚拟惯性控制,储能附加下垂控制,实现了三种模式下的分析对比:风电不调频、低风速参与调频、高风速风储参与调频,仿真结果和原文一致。

模型研究
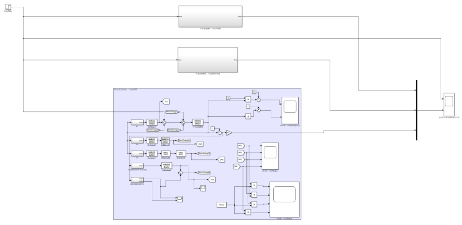
1.模型总览
从上至下依次是风电不调频、低风速参与调频、高风速风储参与调频,实现了三种模式下的对比。
2.风电不参与调频模型
3.低风速参与调频
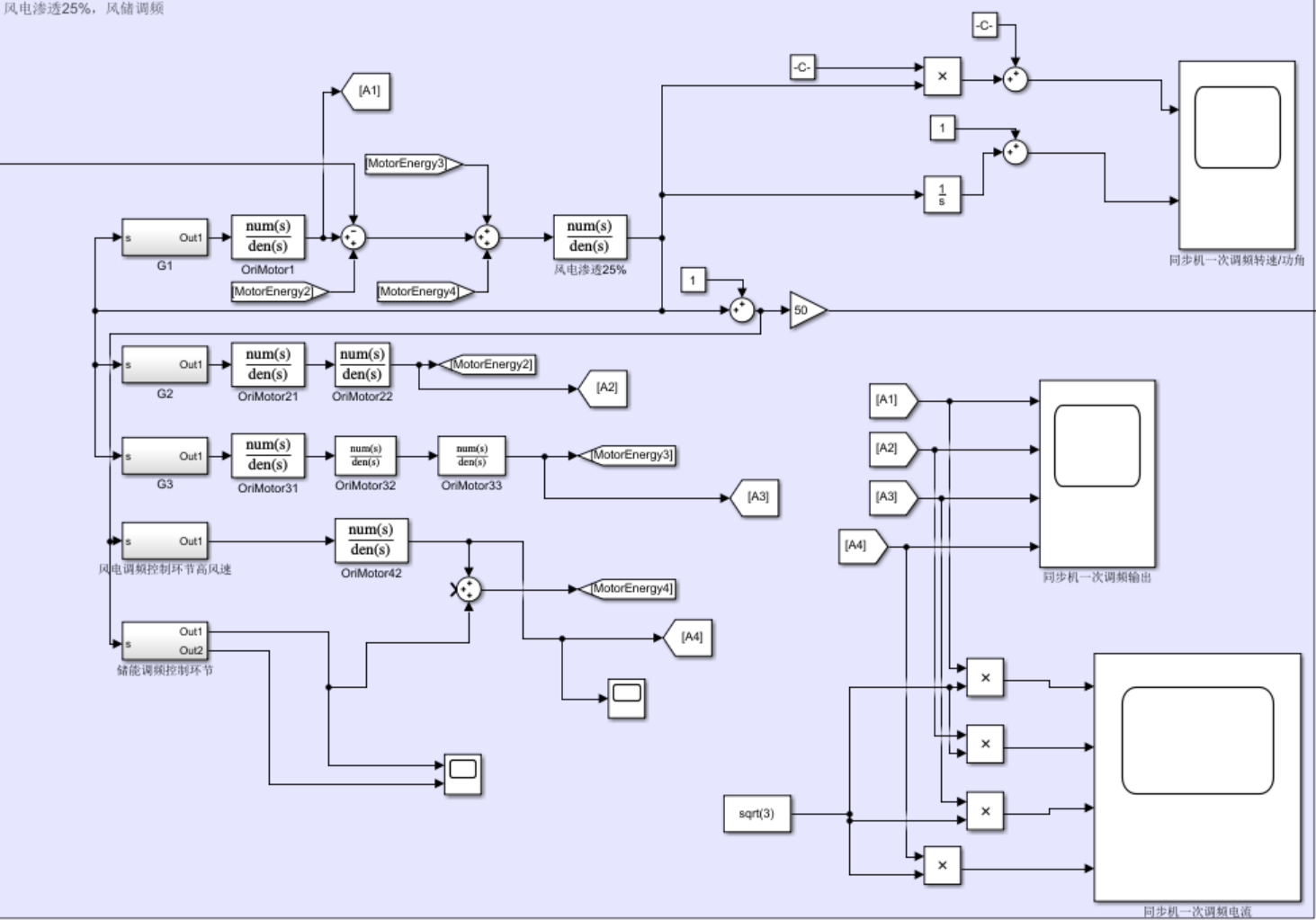
4.高风速风储参与调频
结果一览
负载突变时,三种方式下风储联合调频下的频率特性更优,其利用了储能响应快速的优点,进一步降低系统频率变化率,提升频率最低点,增强系统暂态频率稳定性。

