微电网单台并网逆变器PQ控制matlab仿真模型

作品简介

微电网运行在并网模式下且公共电网供应正常时,因为公共电网给定了电 压和频率的参考值,所有的逆变器可以使用PQ控制方式。

当系统频率为额定频率f0时,系统稳定在A点,系统的输出为 有功参考值Pref,如果系统频率相应增大,则系统运行状态由A点过渡到B点, 但是其系统的输出依旧为有功参考值Pref;相反,如系统频率相应减小,则系统 运行状态由A点过渡到C点,而其系统的输出依旧还是为有功参考值Pref。 同理分析图2.9(b),端口电压的幅值无论变大或是变小,系统输出的无功功率依 旧是无功参考值Qref。

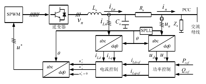
逆变器PQ控制法是基于两相旋转(d-q)坐标系下的双环控制方 式建立的,其实质是在该坐标系下,检测逆变器输出电压并进行dq变换,设定 有功参考值和无功参考值,通过式(3.5)计算,便可得到两相参考电流值,双环控 制的内环实时跟踪参考电流,进而通过坐标转换到三相,输出SPWM的参考电 压,便可将对功率的控制转换为对输出电压的控制。其中,软件锁相器SPLL能 够实现电流的跟踪控制,并且为坐标转换提供频率参考。

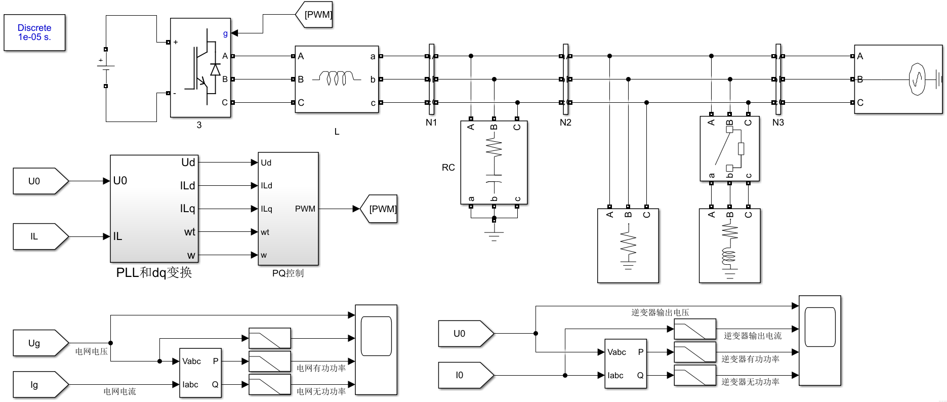
仿真主体模型:

设置功率指令信号:


逆变器输出电压电流及功率信号:

电网侧电压电流及功率信号:

模型结构完整,波形完美,提供参考文献,非常适合新手入门学习!!


创作时间:2023-10-10 20:40:38