基于模糊控制的电动汽车锂电池SOC主动均衡电路MATLAB仿真模型

作品简介

模型简介

模型在 Matlab/Simulink仿真平台中搭建16节电芯锂电池电路模型,主要针对电动车锂电池组SOC差异性,采用模糊控制算法动态调节均衡电流,以减少均衡时间和能量损耗。在放电、静置、充电三种工况下仿真分析,SOC都有效均衡,仿真效果很好,适合进一步改进创新!

采集模块将采集到的信号经过模糊算法对 SOC 进行 估算后,当发现电池组内单体电池 SOC 差值 超过设定范围时,反馈信号经过中央处理器处理发送均衡指令,PWM 控制驱动电路 MOSFET 管开启均衡,以电感控制器作为电池能量传递的媒介,将相邻两个电池中较高 能量传递给较低能量,从而减小电池组累积的差异。

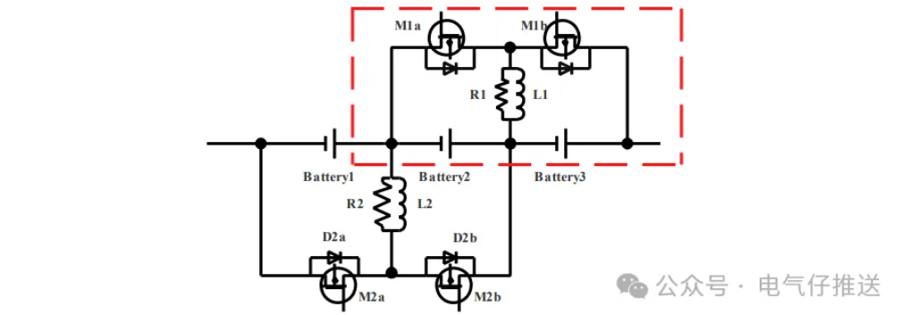
均衡电路拓扑如下图所示,该均衡电路可以完成相邻两节单体电池间的不一致性均衡,框图部分为均衡的子模块,其中 L1 电感元器件可以实现电池电能到磁能再到电能的转换以及 能量的存储,R1 为消磁电阻,消除电感中残留的磁能,防止电感出现磁饱和现象;M 是 MOSFET 的代称,它的功能主要是控制均衡电路的导通和断开;D 是体二极管的代称, 它们与 MOSFET 并联起来构成了放电回路,回路主要是转移电池和电感的能量。所设 计的这种均衡电路可以实现电池组三种工作阶段的均衡,而且电池组相邻之间电池的均 衡电路不受主路电流的干扰,因此均衡期间互不干扰,大大加快了均衡的速率。 

模糊控制逻辑

在 SOC∈(20%,80%)的范围内采用以 SOC 作为变量的 FLC 控制方案, SOCdif和∆SOC 分别设为(0,20%)和(0,60%)。转换后的模糊变量分别是 μ(x)和 μ(y)分别对应于 SOCdif和∆SOC,其各分为 5 个模糊子集:非常小(VS)、小(S)、中(M)、大(L)、非常大(VL)。 

在均衡过程中,根据以下知识和经验建立如表 1 所示的模糊规则表:

1)如果 SOCdif很大,并且∆SOC 也很大,则需要大的均衡电流来较少均衡时间;

2)如果∆SOC 较小,SOCdif并且也较小,则需要小的均衡电流以保证电池安全。

仿真模型主体

模糊控制模块

放电工况下的SOC均衡

静置工况下的SOC均衡

充电工况下的SOC均衡

由三种工况的仿真图可知,在放电、充电条件下,电池组会先均衡电量,然后均匀放电、充电;在静置条件下,电池组可以通过SOC均衡策略平均分配各电池的电量(SOC)。

参考文献

电动汽车动力电池均衡技术的研究_李金龙

动力锂离子电池组均衡策略研究_齐火箭

创作时间:2024-04-19 21:35:30