模块化多电平MMC的虚拟同步发电机控制(VSG)并网仿真模型

作品简介

1、MATLAB/Simulink搭建的模块化多电平MMC虚拟同步发电机控制(VSG)并网逆变器仿真模型;

2、MMC为五电平、每个桥臂是10个子模块,桥臂电压为2000V;

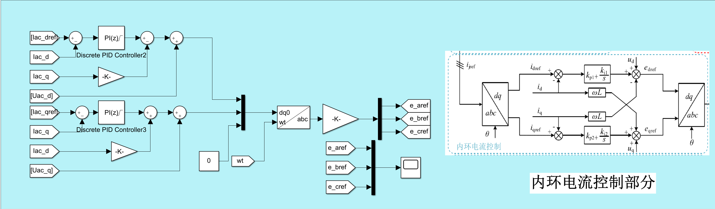
3、控制电路包括:VSG有功-频率、无功-电压调节、电磁方程(虚拟阻抗)、电路内环、子模块电容电压均衡控制、环流抑制模块、载波移相调制模块等等;

4、在1~2秒时模拟电网频率跌落的过程,跌落0.1Hz,VSG的有功功率输出增大;

5、三相电网电压电流波形畸变率小,满足并网要求。

仿真相关图像:


图1 基于MMC的虚拟同步发电机控制(VSG)并网仿真模型

图2 VSG控制

图3 电流内环结构

图4 子模块的电容电压均衡控制策略

图5 相间环流抑制控制策略

图6 载波移相调制

图7 并网点三相电压电流波形

图8 有功和无功功率波形图









创作时间: