三相PQ控制逆变器并网仿真模型(功率外环+电流内环)

作品简介

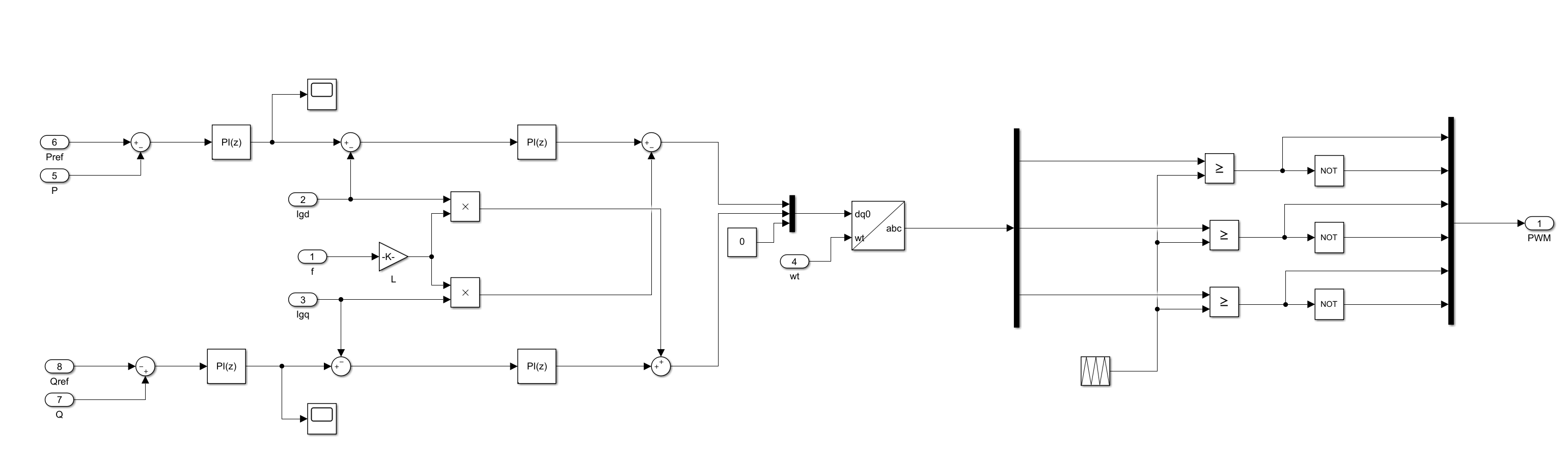
三相逆变器并网Simulink仿真模型,LC滤波器,控制结构包括PLL锁相环、有功无功功率环、电流内环、SPWM调制,有功功率设定为2MW,无功功率设定为0(可根据自身需求修改)。从仿真图像中可知,并网电压电流波形完美,锁相环能够完美跟踪电网50Hz频率且有功功率和无功功率能够完美追踪设定,网侧通过变压器接入10kV电网。

图1 仿真主电路图

图2 功率外环+电流内环+SPWM调制电路

图3 PCC点电压电流波形

图4 网侧电压电流波形

图5 有功和无功功率波形图






创作时间: