三相并网逆变器外环PI+内环模型预测MPC电流矢量控制仿真(带简要文档)

作品简介

三相并网逆变器外环PI+内环模型预测MPC电流矢量控制仿真(带简要文档)

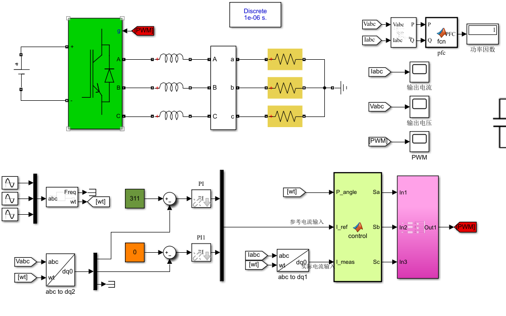
1、控制策略:电压外环PI+内环MPC电流模型预测控制,比较八个矢量,直接发调制波。

2、电压外环PI控制用来稳定三相输出电压,可通过改变输出参考电压来改变实际输出电压幅值,默认为311V,电流内环为模型预测控制,检测实际电流值与参考电流值进行控制进而控制输出电流

3、参数:并网输出电压331V,负载15Ω,电感15mh,直流侧电压1200V,开关周期Ts=1e-6.

4、简要说明文档:并网逆变器总体控制、单矢量电流模型预测控制数学模型、设计思路、仿真搭建及结果

💰直接付款,即可下载完整资料!🔍资料内含文案描述的所有内容,就是这么全面!🔐请你看资料是否符合自己,确认再下单,因为资料是虚拟产品哦!🙋‍♀如果你遇到了任何下单或者运行报错问题,请随时联系我哦!联系方式V+:kyxlz589🙋‍♀🙋‍♀

B站UP主:科研助手小栗子








创作时间: