1.软件版本
matlab2022a
2.运行方法
使用matlab2022a或者高版本仿真,运行文件夹中的tops.m或者main.m。运行时注意matlab左侧的当前文件夹窗口必须是当前工程所在路径。具体操作观看提供的程序操作视频跟着操作。
3.部分仿真截图



4.内容简介
CDMA技术的基础是扩频通信。扩频:用来传输信息的信号带宽远远大于信息本身带宽的一种传输方式,频带的扩展由独立于信息的扩频码来实现,与所传信息数据无关,在接收端用同步接收实现解扩和数据恢复。如图2-1,我们可以知道CDMA系统的基本原理和TDMA、FDMA的区别。

图1-1 CDMA、TDMA、FDMA比较

这个公式表明,在高斯信道中当传输系统的信号噪声功率比S/N下降时,可用增加系统传输带宽W的办法来保持信道容量C不变。对于任意给定的信号噪声功率比,可以用增大传输带宽来获得较低的信息差错率。正因为这个原因,扩频通信具有比较强的抗噪声干扰的能力。CDMA技术是以扩频通信为基础的载波调制和多址接入技术,所以如何实现扩频部分对于整个CDMA系统的实现有着重要的影响。
CDMA技术是以扩频通信为基础的载波调制和多址接入技术,所以如何实现扩频部分对于整个CDMA系统的实现有着重要的影响。下图是CDMA系统的基本原理图:

信号经信源编码后成为数字信号,经过纠错编码、卷积编码和交织等相关处理后送入调制器中,利用PN码发生器产生的高速PN码将数字信号变成码片,使得信号的传输带宽远大于信号本身的带宽以实现扩频通信,同时,为了使信号的传输与信道特性相匹配,必须用载波发生器产生的载波去调制扩频信号。使其频率变为适合信道传愉的射频频段,将数字信号调制成模拟信号后通过放大器发射出去。在接收端,利用下变频器将射频信号还原成中频信号,采用与发射端相同的信号处理技术再将信号还原成原始信号,从而达到数据通信传输的目的。
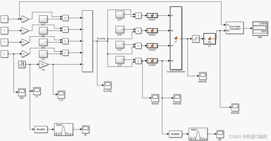
针对本课题所要求的CDMA发送端的设计,主要从以下几个方面去研究,数据处理模块、差分编码模块、PN码序列产生模块、扩频模块。其中数据处理模块主要是用来完成数据的串/并变换;差分编码模块主要用于对数据先进行差分编码;PN码序列产生模块是扩频通信模块中比较重要的模块,其具体的作用和功能我们将在具体实践中做具体研究和讨论;扩频模块是发射端的核心模块,主要用于完成数据的扩频。图2-3就是CDMA系统模块化以后的基本结构,其中虚线框内的部分就是CDMA数字基带发送部分,本课题我们主要就是完成下图中上半部分,此外,在此基础上将对接收部分做简单的介绍。图中发送端和接收端的Walsh码发生器和PN码发生器其实是同一个模块,它们的区别仅仅是延迟不同。

由上图可知,这个系统一共有两个模块组成——调制模块和解调模块。其中调制模块是信号发生器产生4路输入信号,经WALSH调制、PN扩频、基带求和与并/串变换成为1路信号,完成调制。而解调模块主要是将收到的1路信号首先进行串并转换,在取得同步的基础上进行PN解扩和WALSH解调从而恢复出4路信息。该系统框图就是我们所要实现的系统的基本结构,具体实现方法、步骤、以及原理分析及优化我将针对每个模块,在后面给予具体研究。