基于多二阶广义积分器的正负序谐波提取方法

作品简介

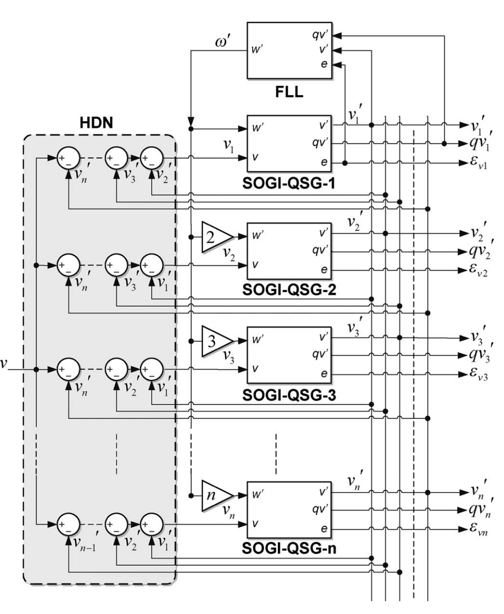
该仿真复现由Pedro Rodriguez等学者提出了一种名为多谐振频率锁定环(MSOGI-FLL)的创新同步方法,旨在解决电网电压畸变、不平衡及频率波动场景下电力变流器的精准同步问题。传统锁相环(PLL)依赖相位跟踪,易受相位突变和谐波干扰影响,而MSOGI-FLL通过频率锁定环(FLL)直接估计电网频率,结合多个二阶广义积分器(MSOGI)构建谐波解耦网络(HDN),实现频率自适应调整。该系统能同时提取电网基波和谐波(如5次、7次、11次)的正/负序分量,并通过HDN消除邻近谐波交叉干扰,显著提升复杂工况下的鲁棒性。

仿真与实验结果表明,在电网电压含高次谐波且频率突变(如50Hz骤降至45Hz)时,MSOGI-FLL可在毫秒级内完成频率跟踪,稳态误差极小。其核心优势在于:通过参数Γ线性化FLL的动态响应,平衡带宽与抗扰能力;采用分布式谐振结构,降低计算复杂度,可在低成本DSP平台高效运行。例如,实验中使用七路DSOGI仅需26μs处理周期,验证了其工程实用性。相较于传统傅里叶分析或单谐振结构,MSOGI-FLL无需预设固定频率,且能实时解耦谐波序列,为可再生能源并网、电能质量控制提供了可靠的技术支撑。

图1 SOGI结构图

图2 MSOGI-FLL的结构框图

图3 仿真电路图

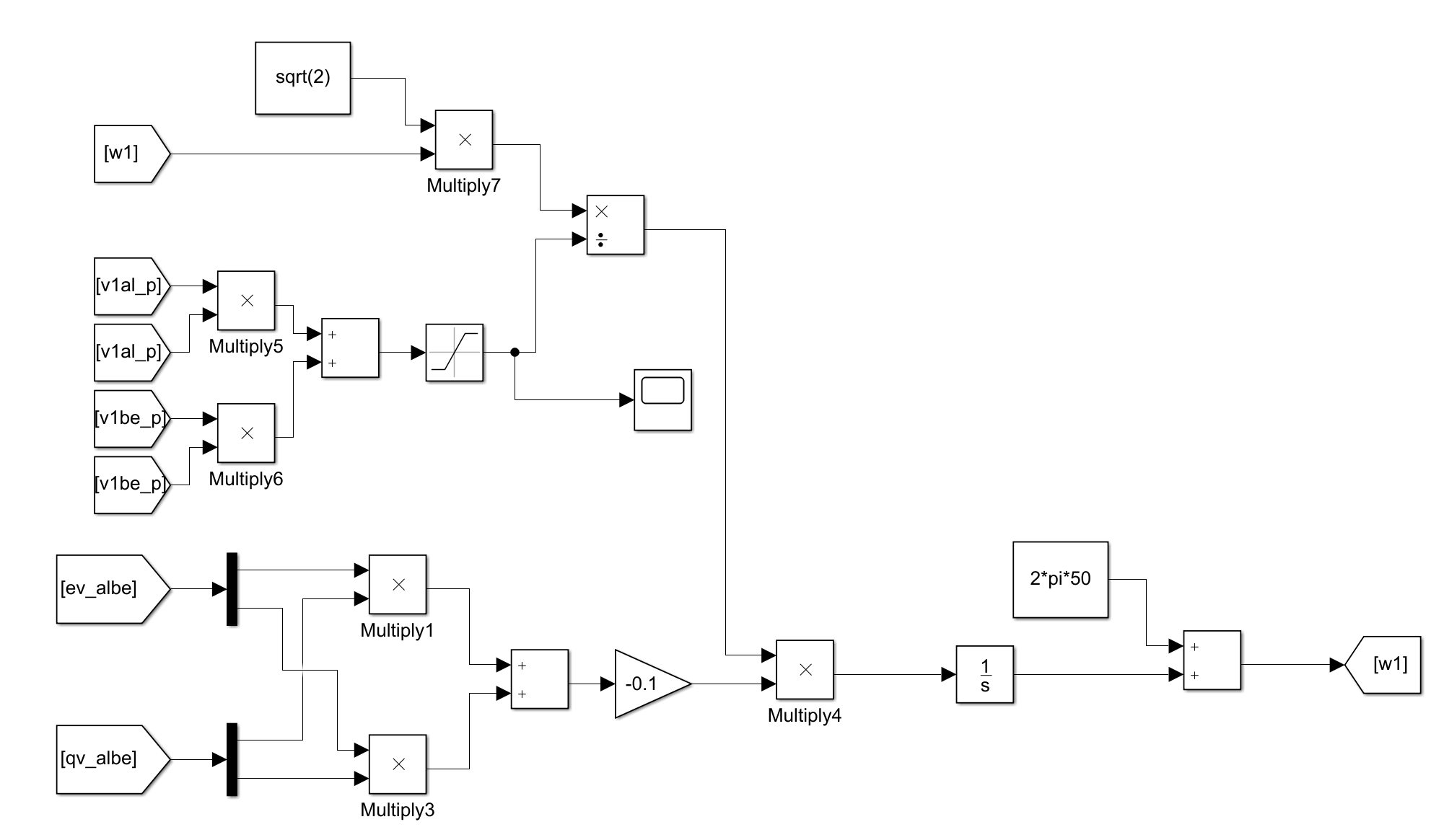
图4 频率锁定环

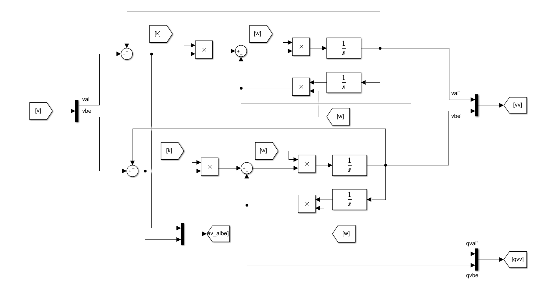
图5 双二阶广义积分器正负序分离电路

图6 各次分量提取结果














创作时间: