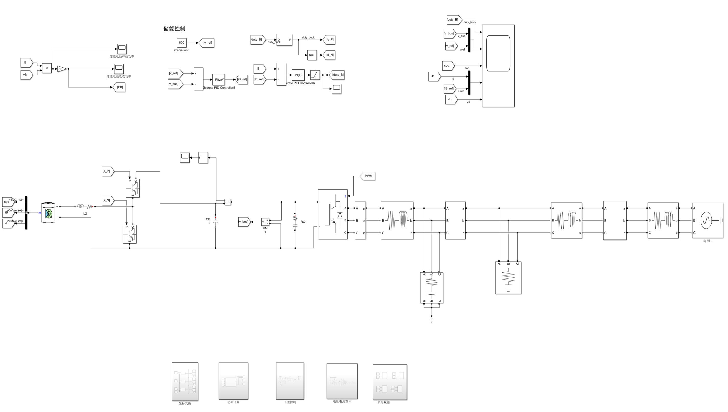
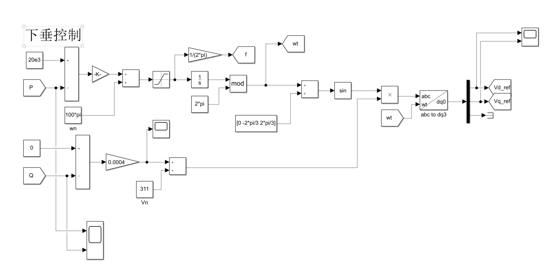
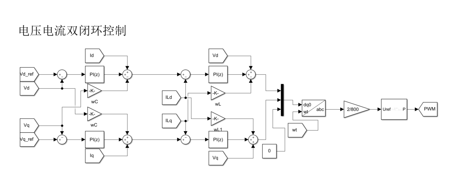
储能下垂控制并网仿真模型,直流侧采用储能电池模型,buck电路升压,交流侧采用下垂控制并入电网,交流侧的控制电路包括有功-频率、无功-电压下垂控制环,电压电流双环,采用SPWM调制,仿真版本为2019b,能够稳定运行,且波形完美!
储能下垂控制并网仿真模型,直流侧采用储能电池模型,buck电路升压,交流侧采用下垂控制并入电网,交流侧的控制电路包括有功-频率、无功-电压下垂控制环,电压电流双环,采用SPWM调制,仿真版本为2019b,能够稳定运行,且波形完美!