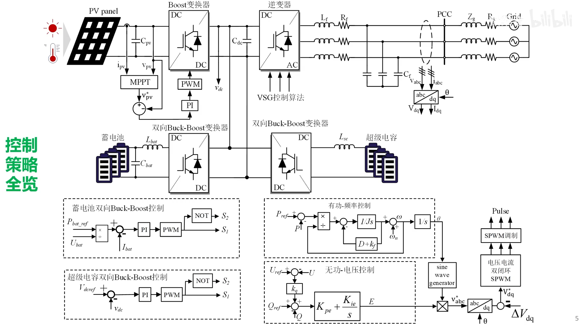
光伏混合储能VSG并网运行,构网型变流器, 虚拟同步机的优质simulink仿真资料,
Matlab /Simulnik 仿真模型2018b版本。
混合储能HESS:蓄电池+超级电容器;
电压补偿 削峰填谷、一次调频、功率指令跟随。
光伏储能参与一次调频、功率平抑、 直流母线电压控制;MPPT最大功率跟踪控制。
关键词: 构网型储能,光伏、微电网、新能源、虚拟同同步机、VSG并网,小信号模型;
光伏混合储能VSG并网运行,构网型变流器, 虚拟同步机的优质simulink仿真资料,
Matlab /Simulnik 仿真模型2018b版本。
混合储能HESS:蓄电池+超级电容器;
电压补偿 削峰填谷、一次调频、功率指令跟随。
光伏储能参与一次调频、功率平抑、 直流母线电压控制;MPPT最大功率跟踪控制。
关键词: 构网型储能,光伏、微电网、新能源、虚拟同同步机、VSG并网,小信号模型;