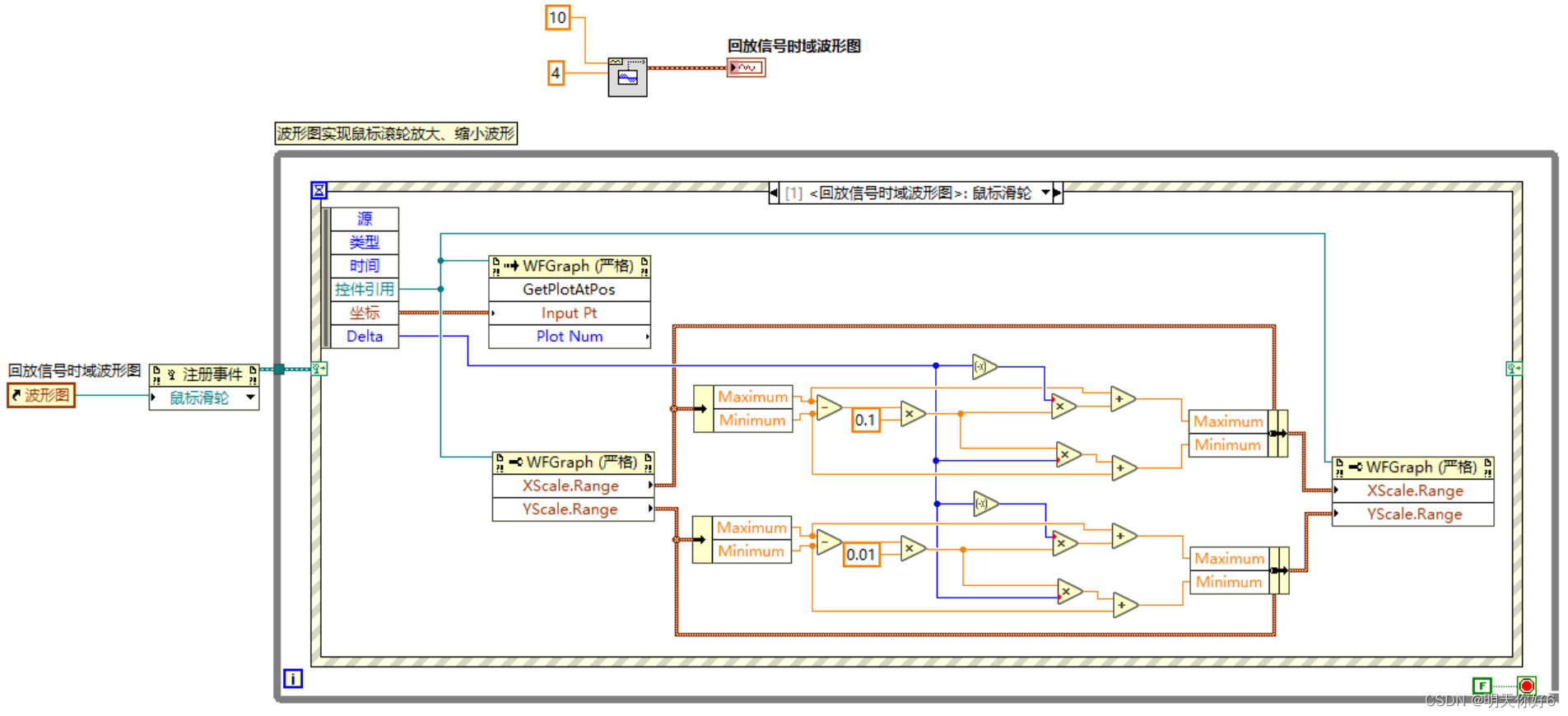
LabVIEW鼠标滚轮实现波形放大缩小(zoom)功能
作品简介
详细信息参考我的博客内容:
https://blog.csdn.net/qq_41839588/article/details/130104282
一、后面板代码
二、前面板显示
创作时间: