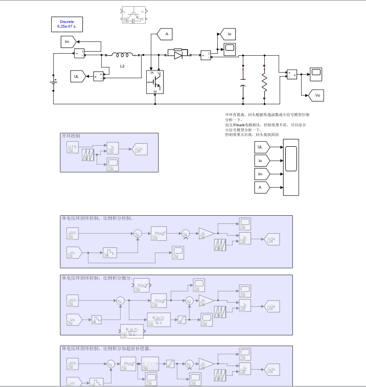
boost变换器simulink仿真,开环,电压环控制,电流环控制,电压电流双闭环控制策略,含bode图

作品简介





创作时间: