三相逆变器下垂均流控制策略

作品简介

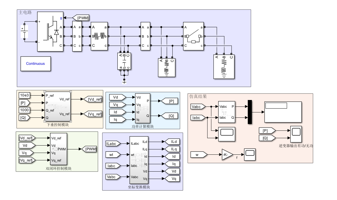
逆变器下垂控制Simulink仿真

总设计思路:给定有功功率参考值 P,无功功率参考值 Q,通过功率下垂外环得到三相参考电压信号,再经过电压电流双闭环调节,获得三相调制波,最后通过SPWM调制方式可完成对三相全桥逆变电路的控制。



创作时间: