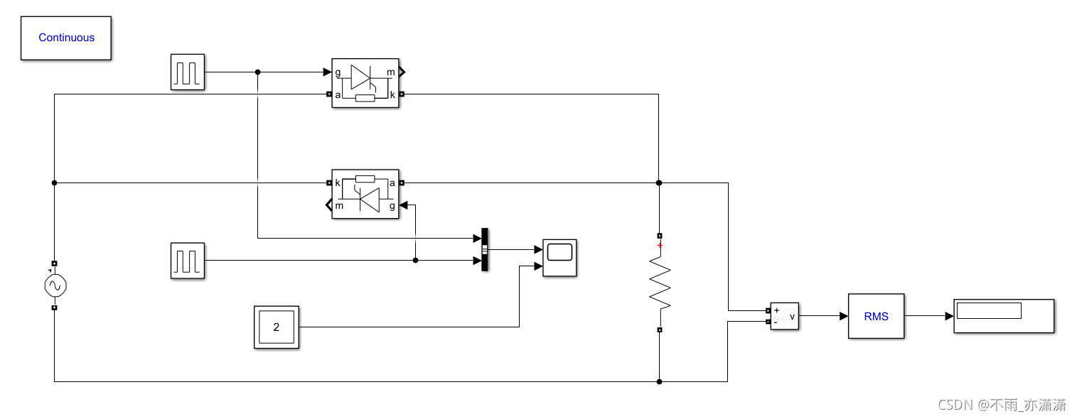
【Simulink】单相交流调压电路
作品简介
详情:
https://blog.csdn.net/weixin_43470383/article/details/117773185
Matlab版本:R2018a
创作时间: