光储直流微电网MATLAB/Simulink仿真

作品简介

光储直流微电网MATLAB/Simulink仿真

仿真软件:MATLAB2018b

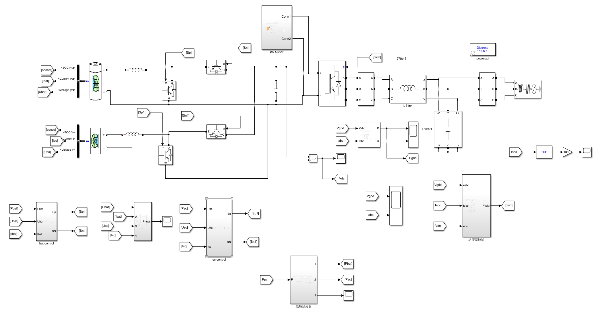
光储并网直流微电网simulink仿真模型,光伏采用mppt实现最大功率输出。



图1 整体仿真模型搭建

储能由蓄电池和超级电容构成的混合储能系统。

为了确保微网并网时电能质量,采用二阶低通滤波法对光伏输出功率进行抑制,通过设置不同截止频率将高频功率给超级电容响应,中频给蓄电池,低频功率并入大电网,有效提高电能质量。

逆变器采用基于电网电压双闭环控制

图2 光伏-HESS并网发电结构框图


图3 直流母线电压控制


  图4 蓄电池电容混合储能功率


图5 电压与电流波形


图6 电池电容光伏以及并网功率波形



图7 双闭环控制

 

创作时间: