需要vivado版本的朋友搜索本店铺同名资源
包括程序操作录像
1.软件版本
Quartusii18.0+ModelSim-Altera 6.6d Starter Edition
2.运行方法
使用Quartusii18.0版本打开FPGA工程,然后参考提供的操作录像视频跟着操作。工程路径必须是英文路径。具体操作观看提供的程序操作视频跟着操作。视频播放使用windows media player播放。
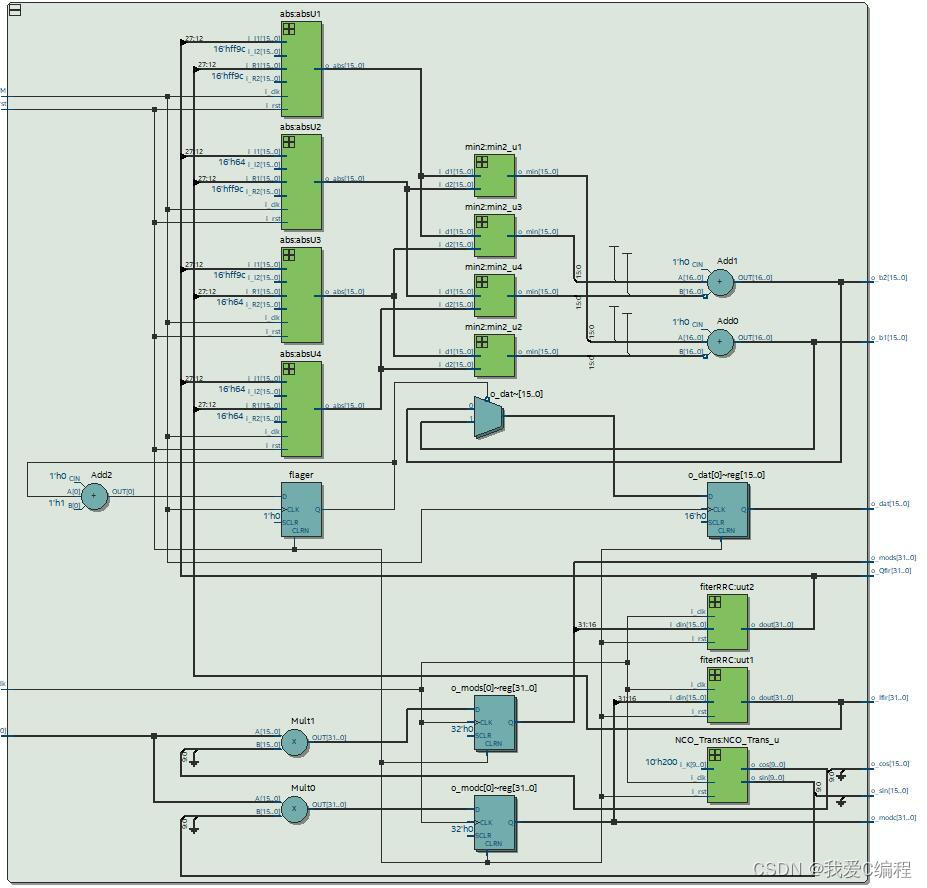
3.部分仿真截图


4.内容简介
QPSK是一种常用的调制方式,通过将两个比特映射到一个复平面上的相位点,实现了高效的信号传输。软解调是一种基于接收信号的概率估计进行解调的方法,能够提供更好的性能。本文将逐步介绍QPSK软解调的实现过程,包括信号采样、相位估计、判决和解调等方面。软解调是一种通过概率估计实现解调的方法,能够在信道噪声存在的情况下提供更好的性能。QPSK是一种常用的调制方式,通过将两个比特映射到相位点,实现了高效的信号传输。