包括程序操作录像+说明文档
1.软件版本
Quartusii18.0+ModelSim-Altera 6.6d Starter Edition
2.运行方法
使用Quartusii18.0版本打开FPGA工程,然后参考提供的操作录像视频跟着操作。工程路径必须是英文路径。具体操作观看提供的程序操作视频跟着操作。视频播放使用windows media player播放。
3.部分仿真截图


4.内容简介
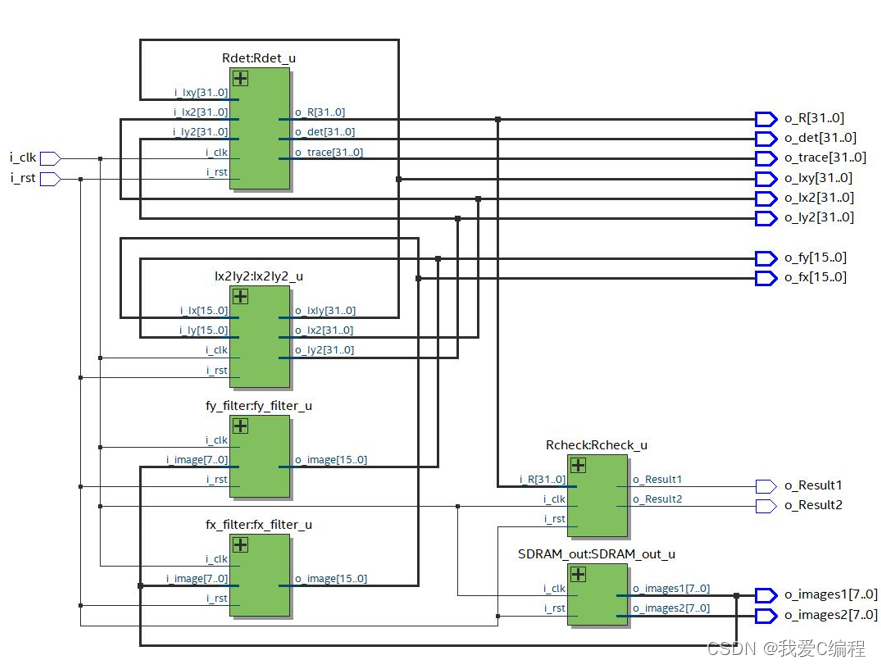
基于harrirs配准的模块主要包括角点提取功能、角点配准功能两大模块。其中,角点提取模块包括高斯滤波,Harris响应值计算以及非最大值抑制等功能。角点配准模块包括角点坐标值计算功能以及配准功能。因此,这个系统的结构如下图所示:
