1.软件版本
vivado2019.2
2.运行方法
使用vivado2019.2或者更高版本打开FPGA工程,然后参考提供的操作录像视频跟着操作。工程路径必须是英文路径。具体操作观看提供的程序操作视频跟着操作。视频播放使用windows media player播放。
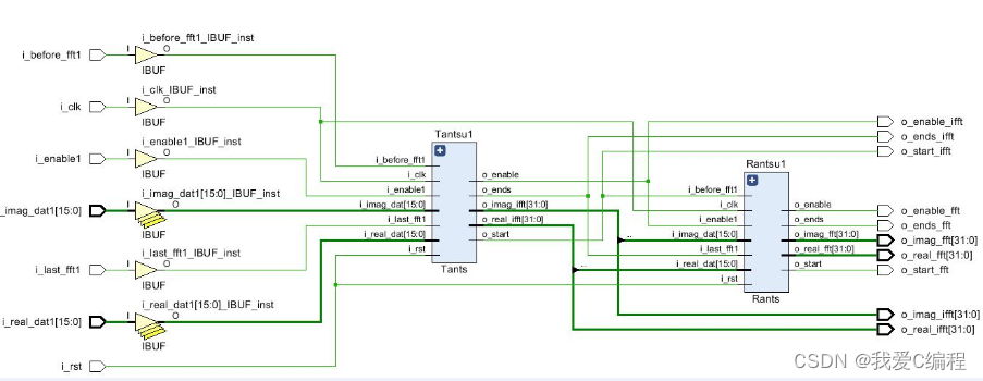
3.部分仿真截图


4.内容简介
正交频分复用(Orthogonal Frequency Division Multiplexing, OFDM)是一种多载波调制技术,其基本原理是将高速数据信号分成多个低速子载波,在每个子载波上调制数据,将所有子载波叠加在一起形成OFDM信号。OFDM信号具有良好的抗多径衰落和频率选择性衰落能力,因此被广泛应用于无线通信和数字电视等领域。