包括程序操作录像+参考文献
1.软件版本
matlab2022a
2.运行方法
使用matlab2022a或者高版本仿真,运行文件夹中的tops.m或者main.m。运行时注意matlab左侧的当前文件夹窗口必须是当前工程所在路径。具体操作观看提供的程序操作视频跟着操作。视频播放使用windows media player播放。
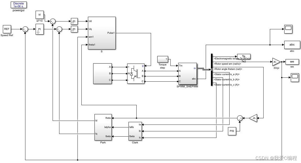
3.部分仿真截图


4.内容简介
MATLAB仿真中的SHEPWM的发波采用S函数编写,S函数是一种用于描述Simulink仿真模块的计算机语言,它结合了m文件和Simulink仿真模块的优点,可以极大地增强和扩展Simulink仿真能力,用户可以通过编写S函数来构造用户自己的模块,以实现一些复杂的功能。
