基于模糊PI双闭环电机控制的simulink仿真模型

作品简介

笔者整理了基于模糊PI双闭环电机控制的simulink仿真模型,该模型质量优异,适合新手学习使用。

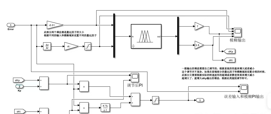
PMSM呈非线性的问题,常规的PI控制系统不能达到人类所要求的控制精度,无法高效的驱动电机,使电机的工作效率大幅度降低,且无法解决转速响应慢超调量大等一系列问题,因此模糊PID应运而生;此控制系统替代常规的PID控制系统,利用模糊控制原理,在控制系统中加入合适的模糊控制器,提高整个PMSM驱动系统的驱动调速精确度以及控制效果。

模型有很多参考资料文献,方便帮助学习;

模糊规则是根据专家对kp,ki理解制定,不用自己手打制定规则;

模型具有很好的学习意义,价格不错,快入手一个吧。






创作时间: