工程应用:麻雀搜索算法求解四个工程参数(Matlab代码)

作品简介

一、Three-bar truss design problem

二、Tension/compression spring design


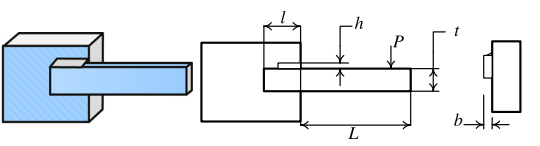
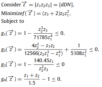
三、Pressure vessel design problem


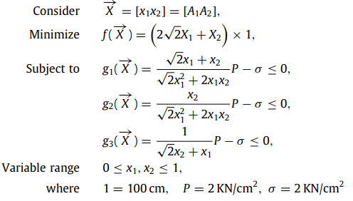
四、Welded beam design problem

五、实验结果

(1)Three-bar truss design problem

(2)Tension/compression spring design

(3)Pressure vessel design problem

(4)Welded beam design problem

六、源程序


创作时间: