电力电子仿真(五十一)全网最全基于下垂控制+零序环流控制的两台并联三相逆变器的环流抑制仿真研究分析(仿真模型+参考文献

作品简介

电力电子仿真(五十一)全网最全基于下垂控制+零序环流控制的两台并联三相逆变器的环流抑制仿真研究分析(仿真模型+参考文献+讲解)




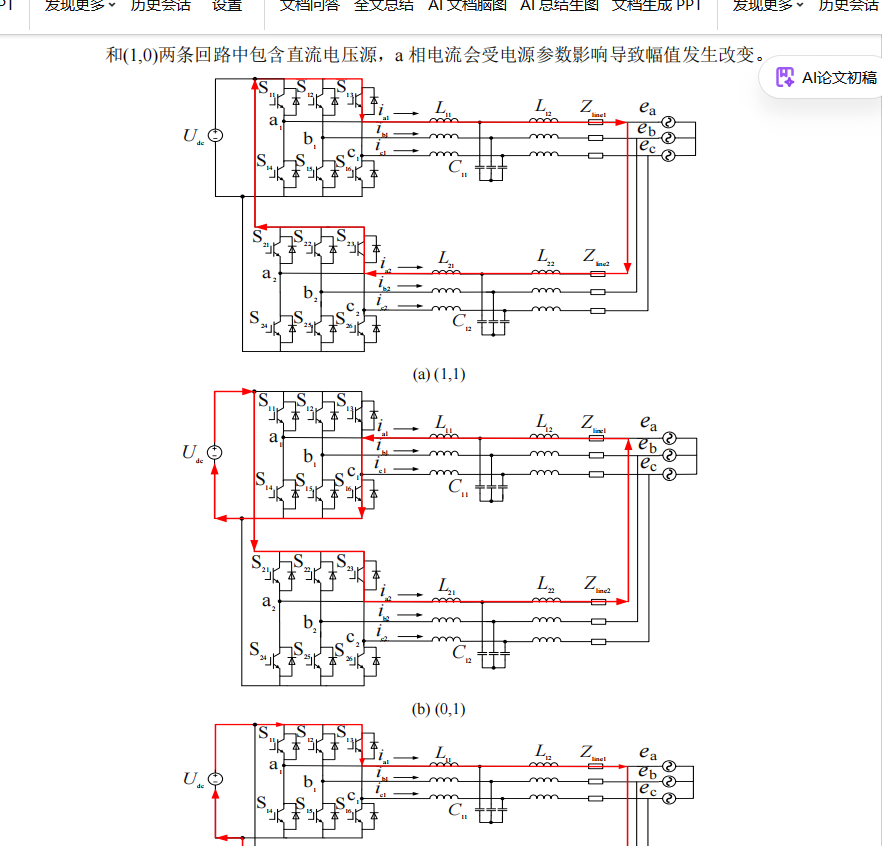
随着新能源发电系统的功率逐渐增大,单台逆变器往往难以满足实际的功率需求,目前逆变器模块化并联运行是一种有效的解决方法。这种方法不仅可以灵活地配置逆变系统的功率容量,而且可以通过并联系统的冗余性提高其可靠性。当逆变系统共直流母线时,就为逆变器之间的环流提供了通路。逆变器自身器件参数、输出容量、开关频率、载波相位和控制时序等不可避免地存在差异,这会导致并联三相逆变器之间产生环流。环流会导致逆变器输出电流畸变,增加开关应力,增加系统损耗,负载不均分,导致逆变器出现过流故障,过大的环流还可能引起器件损坏,对系统的安全运行造成影响。为抑制并联逆变器之间的环流,通常采用硬件和软件两种类型的方法。

第一种方法(硬件)常用逆变器直流侧隔离法(直流电源相互独立)或交流侧隔离法(交流侧加装三相隔离变压器)阻断环流通路,或者在逆变器输出端串联电感,但这些方法会增加逆变器的体积和成本。

第二种方法(软件)一般使用控制零序环流的方法来抑制环流,本次给大家带来的就是我们的零序环流抑制策略仿真研究。

下面就是一个采用软件方法进行环流抑制的仿真案例。两台逆变器共直流母线,三相输出连接公共负载。两台逆变器具备下垂控制和环流抑制能力,实现功率均分和环流抑制;


参考文献及环流分析:




仿真模型:


创作时间: