Visio绘图专题(二十)基于永磁同步电机拓扑、控制、SVPWM原理、旋转坐标、改进控制、直驱永磁同步电Visio绘图

作品简介

Visio绘图专题(二十)全网最全永磁同步电机拓扑、控制框图、SVPWM原理、旋转坐标变换、改进控制、直驱永磁同步电Visio绘图



1、该工作是up以前帮顾客定制的关于永磁同步电机的控制框图、拓扑图、SVPWM原理图、改进双闭环控制、综合应用下的拓扑等,现在顾客已经使用过了,这里拿出来和大家分享一下,能满足永磁同步电机研究方向的朋友们的大部分绘图工作,节省时间,提供参考。


2、详细内容如下:

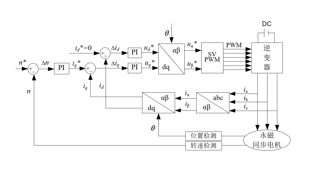
【1】永磁同步电机转速外环电流内环的双闭环SVPWM控制.vsdx;

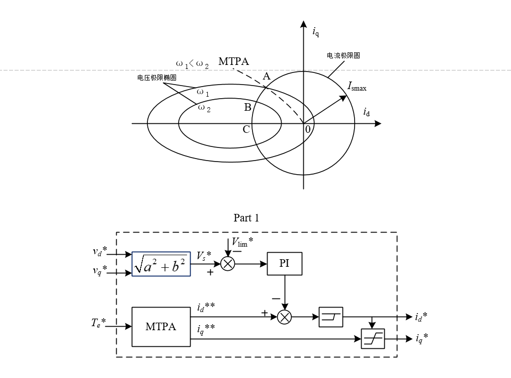
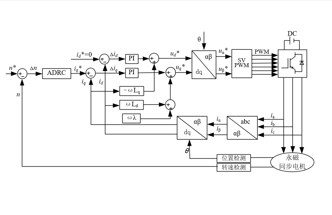
【2】基于自抗扰控制(ARDC)的永磁同步电机转速位置双闭环控制.vsdx;

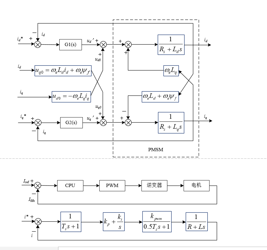
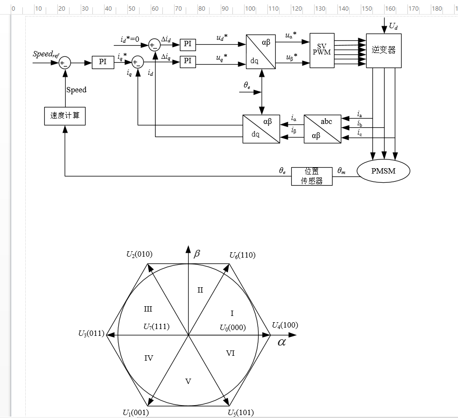
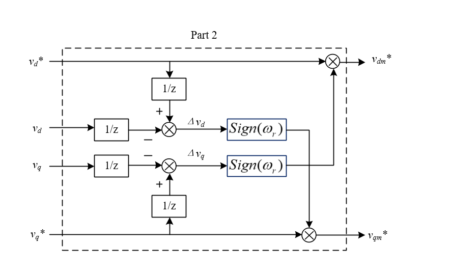
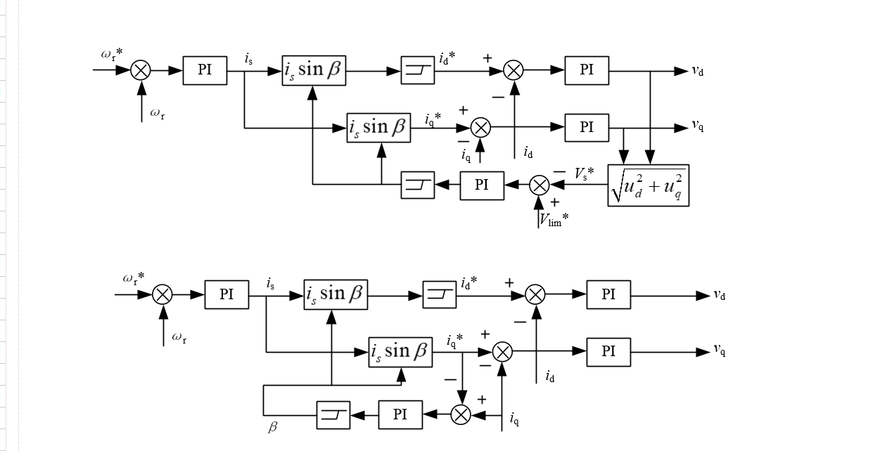
【3】永磁同步电机拓扑、控制框图、SVPWM原理、旋转坐标变换综合绘图.vsdx;

【4】综合应用下的直驱永磁同步电机+VSG_HVDC.vsdx;


3、可视化部分:

【1】永磁同步电机转速外环电流内环的双闭环SVPWM控制.vsdx;

【2】基于自抗扰控制(ARDC)的永磁同步电机转速位置双闭环控制.vsdx;


【3】永磁同步电机拓扑、控制框图、SVPWM原理、旋转坐标变换综合绘图.vsdx;

【4】综合应用下的直驱永磁同步电机+VSG_HVDC.vsdx;


创作时间: