Visio绘图专题(十七)【独家】超全双向buck-boost变换器在风光储系统中的拓扑、工作模态、控制框图、系统框图

作品简介

Visio绘图专题(十七)【独家】超全双向buck-boost变换器在风光储系统中的拓扑、工作模态、控制框图、系统框图、等效原理图、流程图等Visio绘图;




UP绘制内容如下:

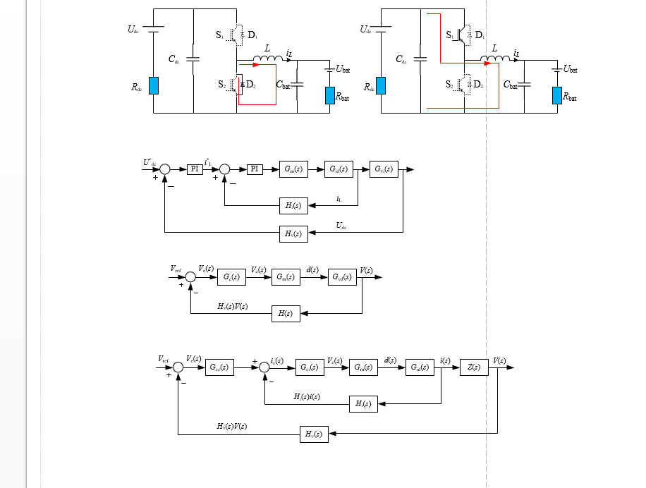
1)绘制了双向buck-boost变换器在不考虑接入环境下的拓扑、工作模态和控制框图;

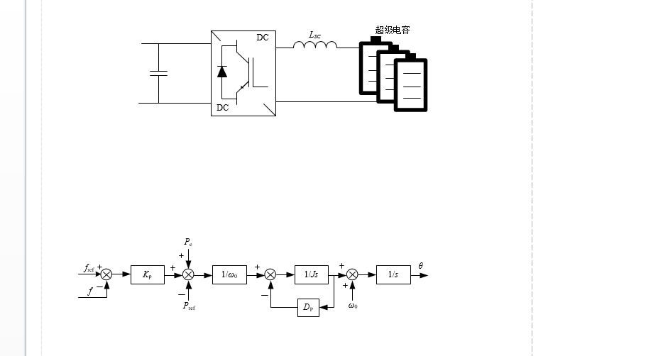
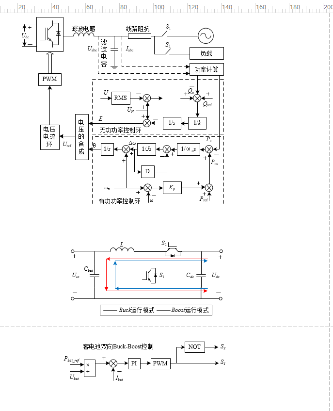
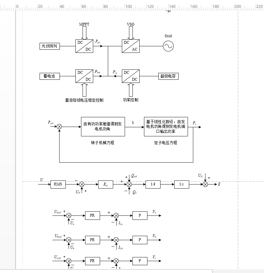
2)考虑接入风光储或者并网环境下的VISIO绘图:

详细内容如下:

参考文献:

绘制拓扑1:


绘制拓扑2:


创作时间: