电机专题 (三十七) 【独家】全网最全基于无刷直流电机(BLDCM)的传统PID、模糊PID、模糊神经网络PID调速对比

作品简介

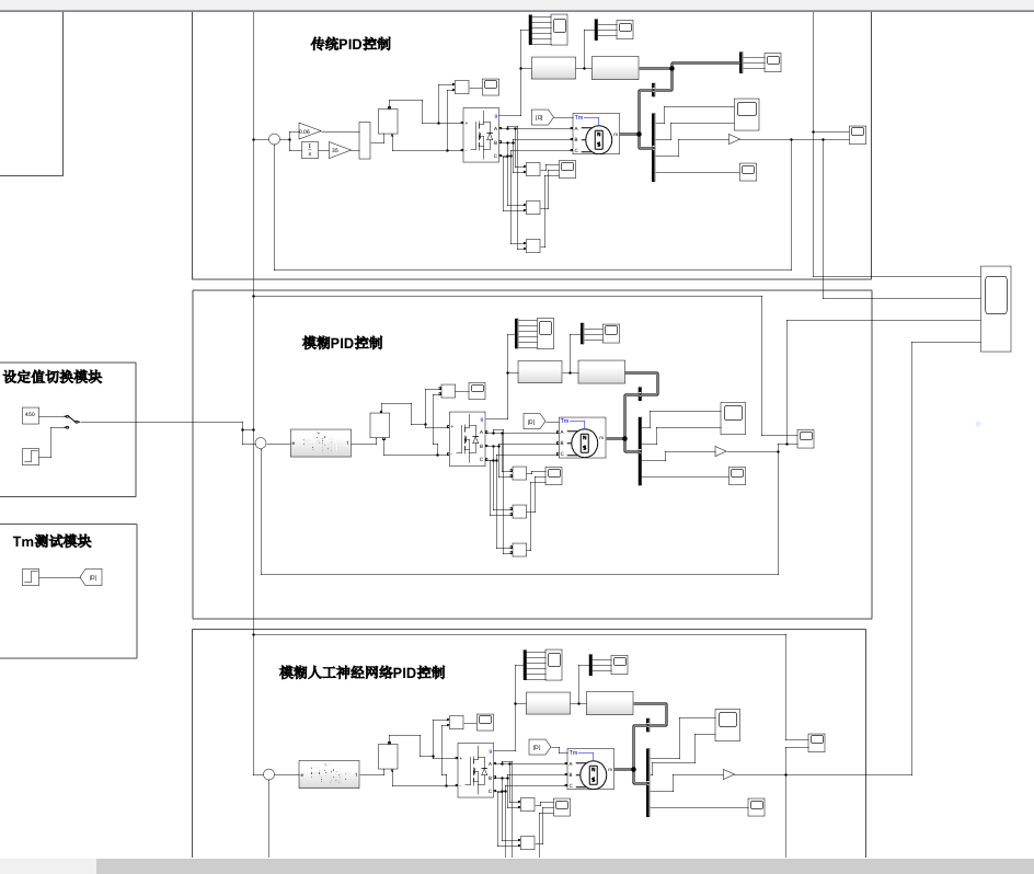
电机专题 (三十七) 【独家】全网最全基于无刷直流电机(BLDCM)的传统PID、模糊PID、模糊神经网络PID调速对比仿真研究(仿真模型+参考文献+使用注意事项+绘图代码)




摘 要:无刷直流电机(BLDCM)与常用电机(步进电机、直流电机、伺服电机和直线电机等)相比较,具有功率密度大、效率高、噪声低和转速-转矩性能好等优点,因此其在伺服控制系统中扮演着越来越重要的角色,进而也使得它被广泛地应用于工业和日常生活之中。

但 是常规的无刷直流电机控制系统通过霍尔传感器来检测转子的位置常规的BLDCM电机控制是PID控制,但是传统PID控制在无刷直流电机控制上的存在动静稳定性不足等问题,于是使用MATLAB软件对无刷直流电机控制系统进行仿真,建立传统PID控制器、模糊PID控制器、模糊神经网络PID控制器,作用在无刷直流电机控制系统中,比较PID控制的控制效果;得到较优的控制策略.

1、BLDC是是搭建的simulink模型,BLDC是2022b版本,高版本的matlab用户可以兼容,如果你的版本比较低,可以联系up降低版本。

2、直接运行simulink文件即可。

3、模糊规则文件是Fuzzy_PID文件。参考是文献里面的模糊PID规则:基于数据挖掘的严寒地区智慧供热运行控制研究。

4、NN_Train是训练的模糊神经网络文件。参考网址:https://blog.csdn.net/qq_38184554/article/details/103656551。

注意:确保运行时matlab的路径与FuzzyPID.fis文件同路径,不然运行simulink会报错找不到FuzzyPID.fis文件。


文件夹内容:

参考文献:

仿真模型与代码:

8000字仿真说明:

隶属度函数绘图代码:

仿真模型:

模糊神经网络参考来源:


隶属度函数绘图:


创作时间: