LLC专题(四十五)【独家讲解】基于半桥LLC谐振变换器的开环、闭环、软起动控制的多策略仿真对比研究(仿真+讲解+文档)

作品简介

LLC专题(四十五)【独家讲解】基于半桥LLC谐振变换器的开环、闭环、软起动控制的多策略仿真对比研究(仿真模型+讲解+设计文档)




随着电力电子技术和功率半导体器件的飞速发展,开关变换器的工作频率不 断提高。谐振变换器采用软开关方式,相较 PWM 变换器采用的硬开关方式,能 有效地解决高工作频率下低转换效率的问题。 本文首先研究了半桥 LLC 谐振变换器的工作原理,详细分析了初级开关管 的 ZVS 及次级整流二极管的 ZCS 软开关过程。接着使用基波等效(FHA)的方 法简化 LLC 谐振电路,利用 Matlab 软件对其等效电路进行了仿真,分析了稳态 特性。随后给出了谐振槽谐振元件参数的设计步骤,并对参数进行了完整设计。 在此基础上,对半桥 LLC 谐振电路进行仿真建模分析,面对电压闭环系统出现 的浪涌电流问题,在电路启动时设置软启动方式,有效降低了浪涌电流。

30页仿真配套说明文档:




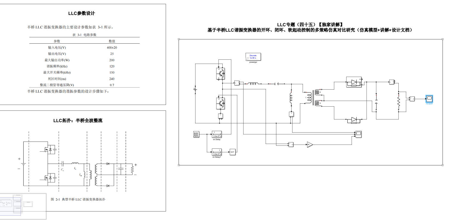
参数设计:

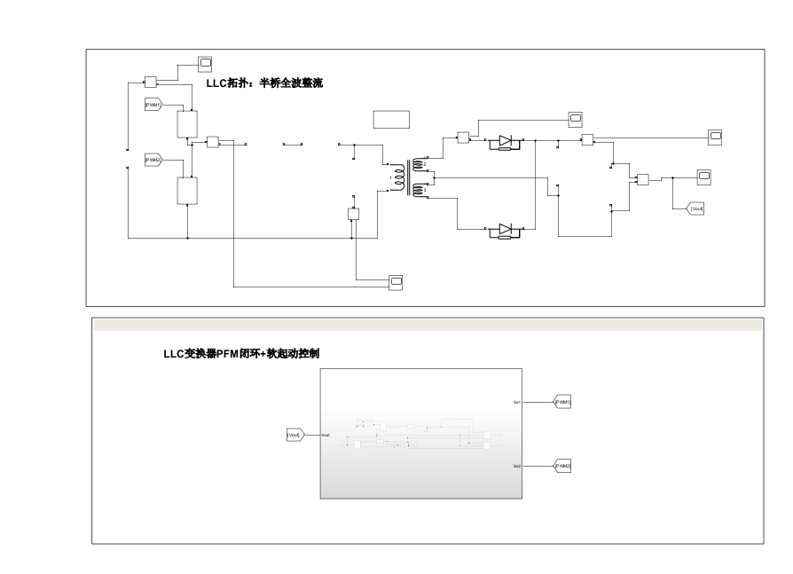
半桥主电路:



1、开环仿真模型:

LLC 正常工作时会出现三种情况:开关频率大于谐振频率、开关频率等于谐 振频率和开关频率小于谐振频率。三种情况下的谐振波形和整流管的波形不同, 下面给出三种情况下的仿真结果。


2、闭环仿真模型:

该半桥 LLC 谐振变换器采用的是脉冲频率调制,通过采样输出电压,和给 定电压相减后得到电压误差,经过 PI 控制器得到控制量,该控制量经过压控振 荡器(VCO)产生对应的频率信号,进而产生占空比为 0.5 的开关管开通或者关断信号。


观察启动时谐振电感和励磁电感电流波形和输入电流波形,在启动时 他们均出现了很大的过电流,在现实运用中,这对器件的电流硬力提出了很高的 要求,因此需要设置一个软启动以减低启动时的浪涌电流。

3、软起动闭环仿真模型:

由仿真结果可知,在加入软启动后,输出电压可以更快调节至额定值,而且启动时开关管和二极管的浪涌电流得到了有效的抑制,达到了预期的效果。


创作时间: