电力电子仿真(四十二)全网最全基于Buck、Boost电路参数设计研究(参数计算表格+仿真+说明文档+讲解)

作品简介

电力电子仿真(四十二)全网最全基于Buck、Boost电路参数设计研究(参数计算表格+仿真+说明文档+讲解)





1)应用于Buck电路和Boost电路(升降压斩波电路)DC-DC变换电路;

2)表格里输入参数后会自动计算满足参数需要的占空比、电感、电容等参数,带说明,带公式。

3)提高效率工具,可以作为快速设计boost和buck电路使用。

4)提供自己用的几篇参考文献说明,助于理解公式;


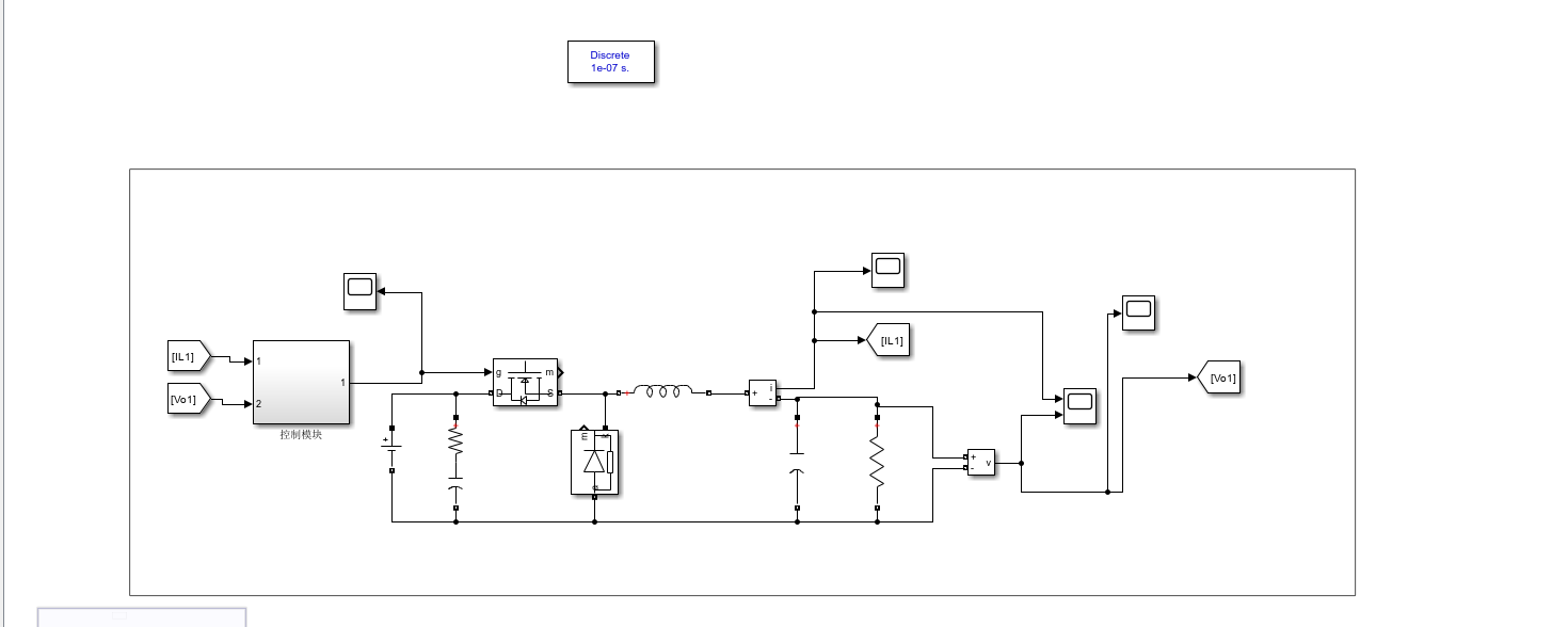
buck电路设计:


buck参数计算表格:


boost计算表格:


Buck电路仿真验证:


创作时间: