DAB专题(九)全网最全的基于DSP28335实现的DAB单移相控制代码研究(ccs代码+matlab示波器界面+仿真

作品简介

DAB专题(九)全网最全的基于DSP28335实现的DAB单移相控制代码研究(ccs代码+matlab示波器界面+仿真+说明)



双有源全桥变换器DAB代码,整理的用于电力电子变换器开关管控制的DSP软件配置步骤,matlab上位机以及simulinkDAB仿真;

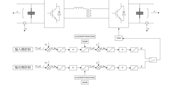
1、仿真是电压电流双闭环,首先恒压控制,电流超过设定值就恒流控制。

2、用的是F28335的芯片,软件ccs8.0,做了一个DAB的sps的开环控制,可以实现发波采样通信,死区,保护都有,只差自己写个闭环算法,不论是pi还好还是其他什么控制方法,内含移相函数,给占空比即可。

3、通信是rs485,为了显示数据和波形拿matlab做了一个上位机,非常非常适合DAB入门


基于DSP28335实现的DAB单移相控制代码与上位机通信研究

(ccs代码+matlab通信界面+仿真)

                               ----By 拉普拉斯不得变换


Q1怎么使用DAB呢?

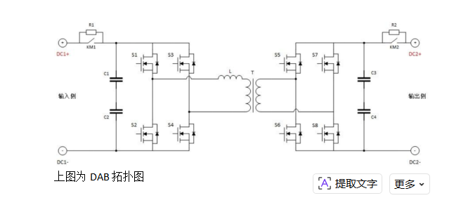
一侧接电源,一侧接负载。然后控制两边H桥,以SPS为例,如果是高压侧(左侧)做输入,左边H桥50%占空比开关,右边H桥是延时d*一半周期的50%占空比开关。控制好了移相比d,就能在输出侧得到我们想要的电压。

Q2怎么用DSP做控制呢

DSP就是小型计算机,和单片机功能上没什么区别,对我们搞变换器控制的,只需要知道他可以计算和发波就够了。DSP有定时器模块,EPWM模块,SCI模块,中断系统,ADC采样模块以及大量可以使用的GPIO口

那怎么使用那些模块呢?当然是需要配置,网上教学一堆,我整理的文档也有。那整体思路是怎么样?从仿真入手,我们搭建仿真,硬件部分打完之后需要搭建控制器,我们要采电压,电流,做pi得输出值,然后根据输出发波。电力电子变换器的控制流程基本都这样。放到DSP里面。DSP就是要实现你搭建的控制器的功能。

1、采样,我们需要采集所需电气参数才可以进行计算,做反馈,DSP有16路采样口,满足我们的要求,采样初始化配置好了,控制寄存器就可以采样

2、那怎么采呢,我摁一次键盘就采一次吗?这时候就需要用计时器,配置好计时器,每过多少时间就执行一次中断程序,在程序里面写采样的执行程序就实现了定时采样

3、采样采好了,计算了那怎么发波?用EPWM模块就行了,配置好EPWM模块,输出八路PWM信号就可以控制DAB,EPWM模块的配置里面有死区,保护等等我们需要的功能

4、发的波是死的,那我们需要他变怎么办,就像DAB的D是随他电压会变的?我们只需要每次计算完PI后得到修改d值,然后调用编写好的移相函数即可。每次采样计算后都修改一次移相比

5、怎么使用上位机呢,想看数据,这时候就需要我们配置SCI模块,配置成RS485后,我们用RS485转USB的线连电脑上,打开上位机软件,打开串口,就可以传输float类型的数据了。

 

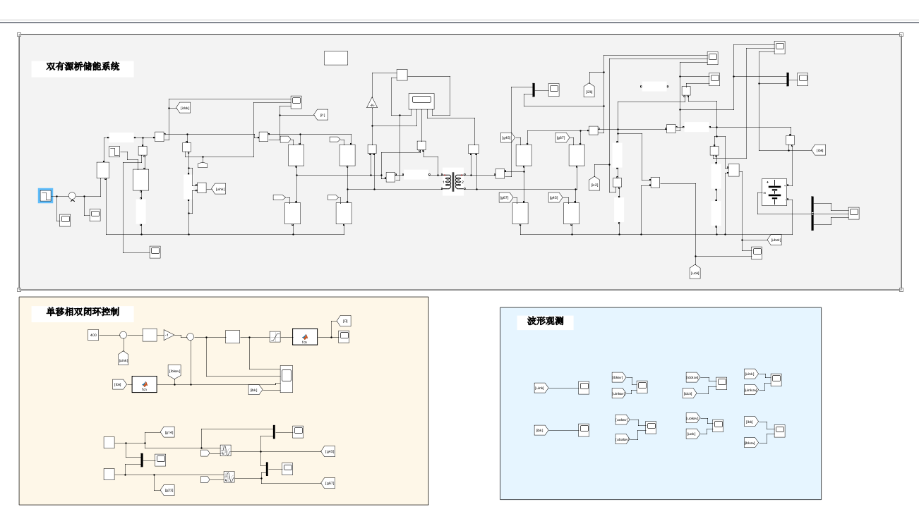
 ①仿真模型:

②详细注释C程序:



③matlab上位机界面:


创作时间: