电力电子仿真(十八)基于不平衡负载条件下 HIPWM 调制的三相四桥臂逆变器simulink仿真(模型+参考文献+报告)

作品简介

电力电子仿真(十八)基于不平衡负载条件下 HIPWM 调制的三相四桥臂逆变器simulink仿真(模型+参考文献+设计报告)


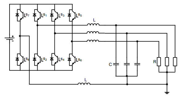
三相四桥臂逆变器是在传统的三相桥式逆变器的基础上增加了一个桥臂,该桥臂的作用是形成中点,这样通过增加一个桥臂来直接控制中性点电压,并且产生中性点电流流入负载,这就增加了一个自由度,使三相四桥臂对逆变电源可以产生三个独立的电压,从而使其有在不平衡负载下维持三相电压的对称输出的能力。这种电路拓扑具有较高的直流利用率,并且直流输入电容较小;减小不平衡 负载时三相输出的不对称度。通常情况下,在中线上添加电感,可改善系统输出端的滤波效果,抑制线路中的开关纹波及减小三相电压的谐波。

图1 三相四桥臂逆变器拓扑

目前研究的三相四桥臂调制技术主要包括滞环电流控制、第四桥臂独立调制、SPWM调制、三次谐波注入PWM调制、二维空间矢量调制(2D-SVPWM)、三维空间矢量调制(3D-SVPWM)单周期调制以及三维空间矢量调制等。

本文选用的调制策略为基于载波的 PWM 调制,基于载波的PWM调制也称谐波注入PWM(HIPWM),其具有电压利用率高和计算量小等优点,比较适用于三相四桥臂逆变器。







创作时间: