1.软件版本
matlab2013b
2.运行方法
使用matlab2013b版本仿真,运行文件夹中的tops.m或者main.m。运行时注意matlab左侧的当前文件夹窗口必须是当前工程所在路径。具体操作观看提供的程序操作视频跟着操作。
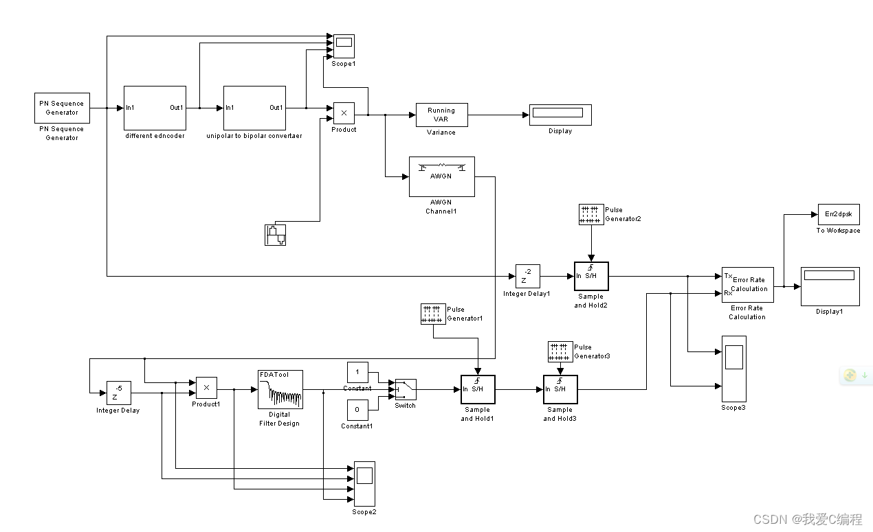
3.部分仿真截图


4.内容简介
2DPSK又称为相对相移键控,它不是利用载波相位的绝对数值传送数字信息,而是用前后码元的相对载波相位值传送数字信息。所谓相对载波相位是指本码与前一码元初相之差。

1.软件版本
matlab2013b
2.运行方法
使用matlab2013b版本仿真,运行文件夹中的tops.m或者main.m。运行时注意matlab左侧的当前文件夹窗口必须是当前工程所在路径。具体操作观看提供的程序操作视频跟着操作。
3.部分仿真截图


4.内容简介
2DPSK又称为相对相移键控,它不是利用载波相位的绝对数值传送数字信息,而是用前后码元的相对载波相位值传送数字信息。所谓相对载波相位是指本码与前一码元初相之差。
