1.软件版本
vivado2019.2
2.运行方法
使用vivado2019.2或者更高版本打开FPGA工程,然后参考提供的操作录像视频跟着操作。工程路径必须是英文路径。具体操作观看提供的程序操作视频跟着操作。
3.内容简介
数字下变频中的低通滤波器是由多级抽取滤波器组实现的。信号的同相分量和正交分量再分别经由积分梳状滤波器(CIC)、半带滤波器(HB)和有限长单位脉冲响应(FIR)滤波器构成的多级抽取滤波器组进行滤波和降采样处理,再将产生的正交基带信号I (n)、Q (n)送到通用DSP处理器,进行信号识别、解调等基带信号处理。这三个滤波器在结构上组成如下的基本结构:

编辑
下面分别对滤波器的三组不同的滤波器进行设计与分析,并得出其优化结果。
2.1CIC抽取滤波器结构图

编辑
图CIC梳状滤波器的结构一

编辑
图CIC梳状滤波器的结构二
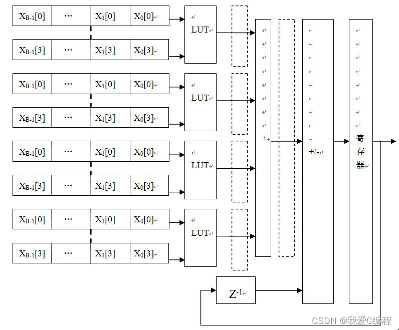
2.2HBF模块由半带滤波器
HBF模块由半带滤波器(HBF)和抽取模块组成。该模块的任务是实现2倍抽取进一步降低信号采样速率。由于HBF的冲激响应h(k)除零点外其余偶数点均为零,所以用HBF实现2倍抽取可以节省一半的运算量,对增强软件无线电的实时性非常重要,HBF还具有参数约束少,设计容易、方便的特点。半带滤波器的主要作用是滤除信号高频部分,防止抽取过程后信号发生频谱混叠。
在实际中,需要将输入信号进行多次滤波和抽取,并逐次降低采样率,同时也降低对每一级抗混叠滤波器的要求,所以需要使用半带滤波器进行设计与实现。
阻带衰减: ≥50dB
通带不平坦度:≤2dB
通常情况下,半带滤波器的有三种基本的结构,一般结构,转置结构以及复用结构,下面我们将针对这三种结构的滤波效果以及硬件占用情况进行分析,从而选用最佳的设计方案。

编辑
2.3 DA分布式FIR

编辑
4.部分仿真截图

编辑