vivado开发版本可以下载如下链接:
https://mbd.pub/o/bread/ZJiYkp9v
1.软件版本
quartusii10.0,ModelSim-Altera 6.6d Starter Edition
2.运行方法
使用quartusii10.0打开FPGA工程,然后参考提供的操作录像视频跟着操作。工程路径必须是英文路径。具体操作观看提供的程序操作视频跟着操作。
3.内容简介
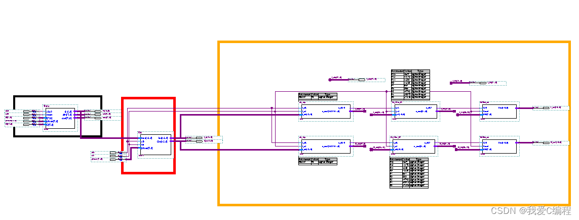
整个数字下变频的基本结构如下所示

编辑
NCO使用CORDIC算法,CIC采用h结构的CIC滤波器,HBF采用复用结构的半带滤波器,而FIR则采用DA算法结构。
这里,我们首先假设不考虑中频信号输入的载波频偏问题,即发送的中频频率和本地的载波频率是一致的。
为了验证系统的正确性,我们首先需要设计一个发送源,由于你要求的信号带宽为20M,
所以整个系统我们设计的系统参数为,中频为80M,A/D采样为60M。本地接收端的载波频率为20M。
即发送端通过80M的中频调制之后,信号的频谱会搬移到80M附近,然后接收端通过AD60M采样后,会将频谱搬移到20M附近,且不会发生混叠现象。
那么系统测试方案可以简化为,一个中心频率在20M附近的中频输入测试信号进行测试。
首先设计一个发送测试信号。
信号的基本结构如下所示:

编辑
我们首先在FPGA中设计这么一个结构得到中频测试信号,然后使用这个测试信号进行下变频测试。
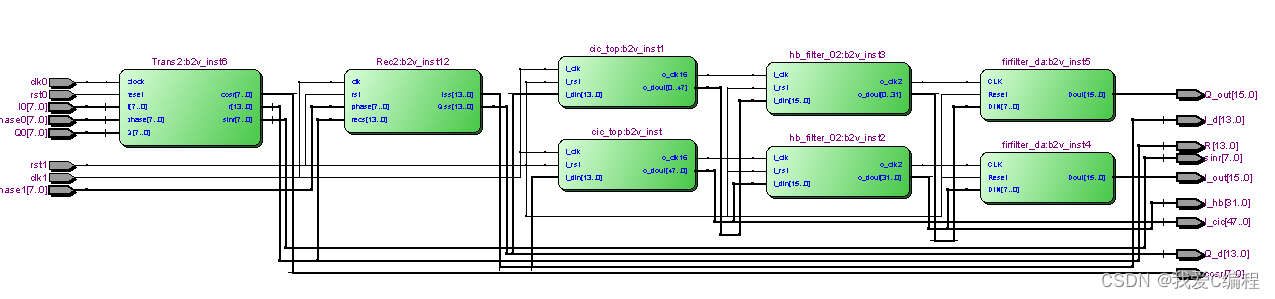
整个系统的原理框图如下所示:

编辑
RTL图:

编辑
综合资源占用:

编辑
4.部分仿真截图

编辑

编辑

编辑

编辑

编辑