1.软件版本
matlab2022a
2.运行方法
使用matlab2022a或者高版本仿真,运行文件夹中的tops.m或者main.m。运行时注意matlab左侧的当前文件夹窗口必须是当前工程所在路径。具体操作观看提供的程序操作视频跟着操作。
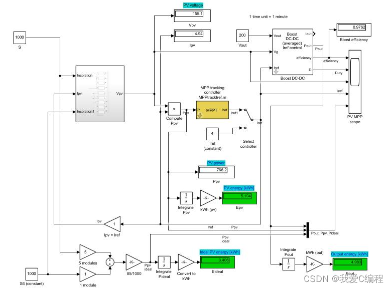
3.部分仿真截图


4.内容简介
光伏阵列(Photovoltaic Array)是多片光伏模组的连接,也是更多光伏电池的连接,光伏阵列是最大规模的光伏发电系统。太阳能电池透过光生伏特效应可以将太阳光能转化成直流电能,但一块光伏模组(光伏板)能够产生的电流不够一般住宅使用,所以将数块光伏模组连接在一起而形成了阵列。光伏阵列能够利用逆变器将直流电转化成交流电以供使用。