1.软件版本
matlab2022a
2.运行方法
使用matlab2022a或者高版本仿真,运行文件夹中的tops.m或者main.m。运行时注意matlab左侧的当前文件夹窗口必须是当前工程所在路径。具体操作观看提供的程序操作视频跟着操作。
3.部分仿真截图



4.内容简介
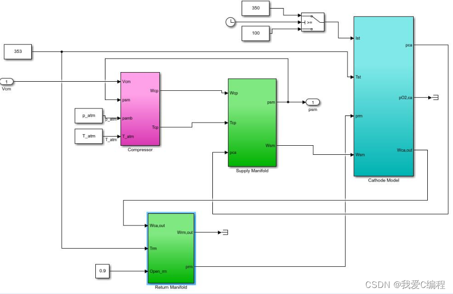
PEM燃料电池系统是一个十分复杂的非线性系统,对PEMFC系统建模的研究工作相对较少。目前,PEM燃料电池系统模型可以分为0-D、1-D、2-D和3-D模型。其中,0-D模型为时间域上的参数集中模型,适合用于控制设计。本文选取的模型为燃料电池系统建模领域广为推崇和认可的Pukrushpan[85-86]建立的PEMFC系统模型,这是一个半机理半经验模型,该模型结构简单,控制参数单一,适合进行控制研究。本文根据反应气体流动过程,将系统模型分为几部分:空压机模型、供气管路模型、排气管路模型以及燃料电池堆模型,
在燃料电池系统中,空压机为燃料电池堆提供反应所需的氧气,同时配有相应的滤清器和增湿器。空压机将环境中的空气泵入并加压,送入燃料电池空气流道。空气流过阴极时,其中的部分氧气会参与电化学反应,产生水。水和空气中氮气、剩余的氧气一起排出电堆。排出的气体中富含水分,因此可以通过冷凝器回收,回收的水分通过泵送到加湿器中循环利用。背压阀的作用是保持空气进出口两端的压差。